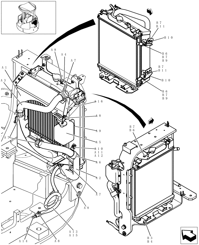
Запчасти Case CX31B (707-01[1]) - RADIATOR INSTAL (COOLER) (10) - ENGINE

Схема запчастей Case CX31B - (707-01[1]) - RADIATOR INSTAL (COOLER) (10) - ENGINE
a13
b11
a12
b6
b7
a2
b9
a3
a6
a8
a11
a9
a1
a7
a5
a8
b10
a16
a15
b7
a10
b6
b9
b3
a14
a4
a8
b11
a7
b6
b10
b7
a7
b7
b7
a8
b4
FIT
1:1
100%

Артикул

Название

Примечание

Количество

-

72285472

SET OF PARTS

1шт.

a1/a16

72285473

SET OF PARTS

1шт.

a1

72285474

RADIATOR

1шт.

a2

72280533

LARGE HOSE

HOSE,LARGE

1шт.

a3

72280534

LARGE HOSE

HOSE,LARGE

1шт.

a4

NS

NOT SERVICED

1шт.

a5

72271530

TANK

1шт.

a6

72951597

CLIP

1шт.

a7

72950593

CLIP

4шт.

a8

NS

NOT SERVICED

4шт.

a9

72951649

BOLT

2шт.

a10

72951684

SCREW

1шт.

a11

12581579

WAVE WASHER,Wave, M7.4

1.шт.

a12

72209113

WASHER

1шт.

a13

72950996

TUBE,13.2 mm ID, 17.5 mm OD, 640 mm Length

1шт.

a14

72280535

PLUG

1шт.

a15

NS

NOT SERVICED

1шт.

a16

72283543

FLEXIBLE HOSE

1шт.

b3/b11

72280536

RADIATOR

1шт.

b3

47045387

SCREW

2шт.

b4

47045385

WASHER

2шт.

b6

72951685

SCREW

4шт.

b7

13559021

WASHER

8шт.

b9

72280537

PLATE

2шт.

b10

72280538

PLATE

2шт.

b11

72951684

SCREW

4шт.

Выбрано товаров: 26