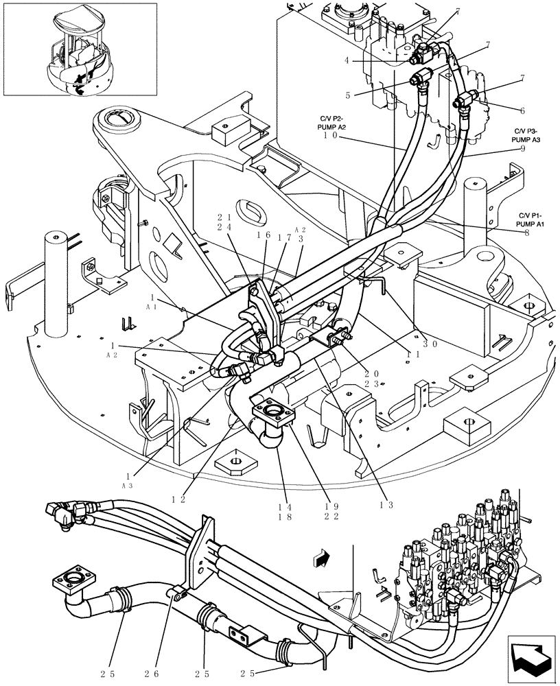
Запчасти Case CX31B (092-01[1]) - PUMP/CONTROL VALVE PIPING (35) - HYDRAULIC SYSTEMS

Схема запчастей Case CX31B - (092-01[1]) - PUMP/CONTROL VALVE PIPING (35) - HYDRAULIC SYSTEMS
20
25
1
23
7
6
21
7
24
30
10
7
9
3
14
5
19
11
a2
22
13
1
8
16
a2
1
25
25
4
a3
a1
12
26
17
18
FIT
1:1
100%

Артикул

Название

Примечание

Количество

1/30

72280711

SET OF PARTS

1шт.

1

72283557

HYD CONNECTOR

3шт.

3

72283074

HYD CONNECTOR

1шт.

4

72280712

TEE

1шт.

5

72956775

TEE

1шт.

6

72951322

TEE

1шт.

7

72214663

PLUG

3шт.

8

72280713

HOSE

1шт.

9

72283915

HOSE

1шт.

10

72280715

HOSE

1шт.

11

72280716

HOSE

1шт.

12

72280717

HOSE

1шт.

13

72280718

FLEXIBLE HOSE

1шт.

14

72280719

TUBE,44.4 mm OD, 153.1, 113.1 mm Length

1шт.

16

72280720

BRACKET

1шт.

17

72280721

GROMMET

1шт.

18

72280883

O-RING,3.1mm Thk x 49.4mm ID, 70 Duro

1шт.

19

72951730

SCREW,Hex Socket Head, M12 x 35mm

4шт.

20

72951702

SCREW

2шт.

21

72210038

NUT

1шт.

22

72951758

LOCK WASHER

4шт.

23

72283448

WASHER

2шт.

24

13559021

WASHER

1шт.

25

72951591

CLIP

8шт.

26

72280722

RUBBER WEATHERSTRIP

1шт.

30

72280723

GUIDE

1шт.

Выбрано товаров: 26