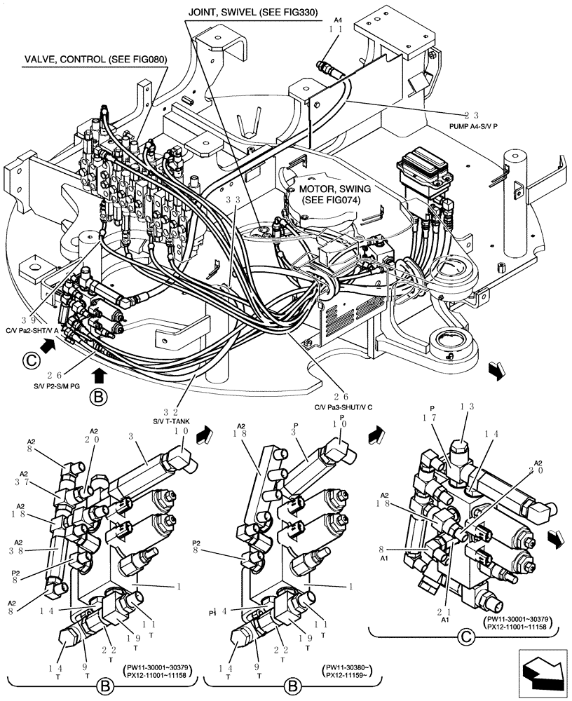
Запчасти Case CX31B (160-18[2]) - CONTROL LINES (35) - HYDRAULIC SYSTEMS

Схема запчастей Case CX31B - (160-18[2]) - CONTROL LINES (35) - HYDRAULIC SYSTEMS
37
22
32
11
8
8
38
19
9
13
17
18
11
14
26
3
18
14
11
1
20
33
23
18
20
10
8
14
1
39
3
26
9
10
8
22
8
19
14
21
14
FIT
1:1
100%

Артикул

Название

Примечание

Количество

1

72280277

VALVE

- ASSY SEE C.P.M.

1шт.

3

72271656

FILTER

1шт.

8

72283603

ELBOW

2шт.

9

72214540

ELBOW

1шт.

10

72283079

ELBOW

1шт.

11

72282154

HYD CONNECTOR

2шт.

13

72214663

PLUG

1шт.

14

72214558

PLUG

3шт.

17

72283853

TEE

1шт.

18

72214530

TEE

2шт.

UP TO S/N PW11-30379

1шт.

FROM S/N PW11-30001

1шт.

18

72285211

ELBOW

1шт.

FROM S/N PW11-30380

1шт.

19

72283854

TEE

1шт.

20

72283606

HYD CONNECTOR

2шт.

21

72217408

HYD CONNECTOR

1шт.

22

72214521

HYD CONNECTOR

1шт.

23

72280794

HOSE

1шт.

26

72280795

HOSE

2шт.

32

72280796

HOSE

1шт.

33

72954817

CLIP

1шт.

37

72283608

TEE,1/4" ORB x 1/4" x 1/4"

1шт.

UP TO S/N PW11-30379

1шт.

FROM S/N PW11-30001

1шт.

38

72283610

HYD CONNECTOR

1шт.

UP TO S/N PW11-30379

1шт.

FROM S/N PW11-30001

1шт.

39

72280797

HOSE

1шт.

Выбрано товаров: 29