Запчасти Case CX31B (HC003-01[1]) - HYDRAULIC CONTROL VALVE - COMPONENTS (SLEW) (35) - HYDRAULIC SYSTEMS

Схема запчастей Case CX31B - (HC003-01[1]) - HYDRAULIC CONTROL VALVE - COMPONENTS (SLEW) (35) - HYDRAULIC SYSTEMS
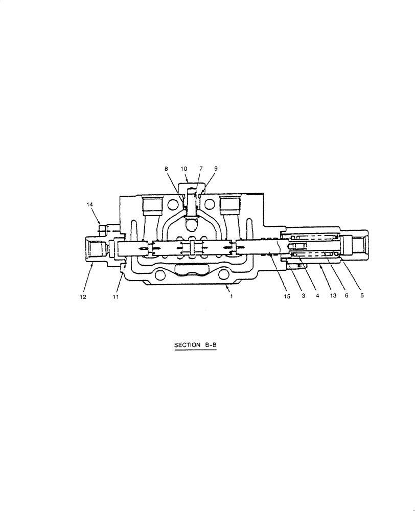
11
13
15
6
4
10
5
7
8
14
9
12
1
3
FIT
1:1
100%

Артикул

Название

Примечание

Количество

1/900

72284889

VALVE

1шт.

1

NS

NOT SERVICED

1шт.

3

NS

NOT SERVICED

1шт.

4

NS

NOT SERVICED

1шт.

5

NS

NOT SERVICED

1шт.

6

NS

NOT SERVICED

1шт.

7

72957857

POPPET

1шт.

8

72957858

SPRING

1шт.

9

72283080

O-RING

1шт.

10

72957859

PLUG

2шт.

11

72957886

O-RING

1шт.

12

72957873

COVER

1шт.

13

72957874

COVER

4шт.

14

72957875

SCREW

1шт.

15

NS

NOT SERVICED

1шт.

900

72284890

REPAIR KIT

- ASSY SEE 3-6, 15

1шт.

Выбрано товаров: 16