Качественные детали и логистика
Оригинальные и аналоговые запчасти с доставкой по России, Казахстану и Беларуси
©2022 PartSell ООО "Система" ИНН 2463123282 ОГРН 1212400004838
Центральный офис: г. Красноярск, Академика Киренского, д.87, пом.4
Телефон: 8 (800) 777-65-74 Email: zakaz@partsell.ru
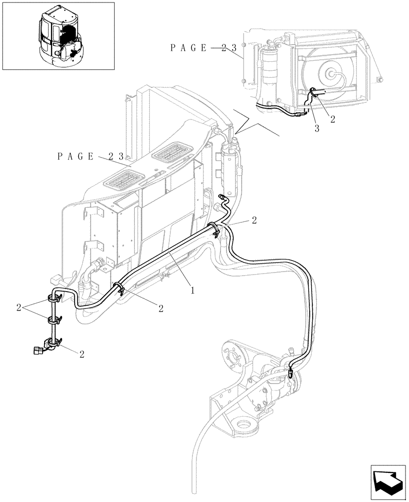
(5.0604[24]) - ELECTRIC WIRING (HEATER&COOLER, CAB) - 747939020
№
Артикул
Название
Примечание
Количество
1
87343469
HARNESS
1шт.
2
14560287
CABLE TIE,207.00mm L
COLLAR
6шт.
3
87343477
PIPE
Выбрано товаров: 0