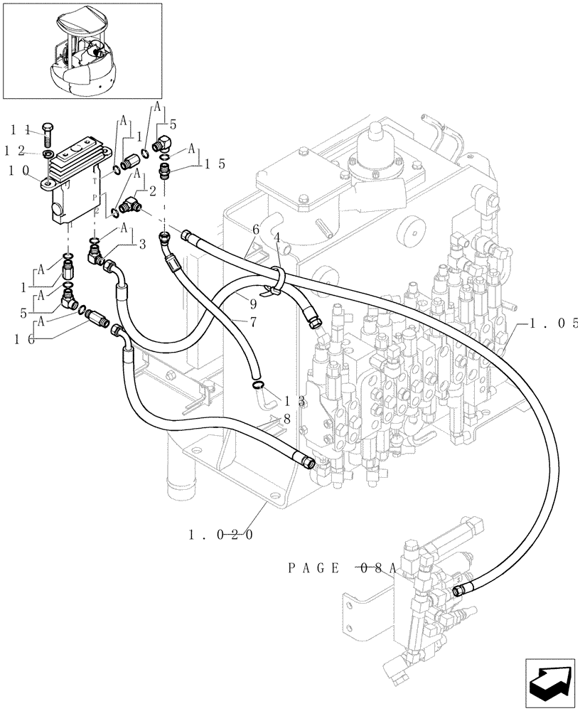
Запчасти Case CX31B (1.080[03]) - POWER STEERING CONTROL LINES (DOZER) (35) - HYDRAULIC SYSTEMS

Схема запчастей Case CX31B - (1.080[03]) - POWER STEERING CONTROL LINES (DOZER) (35) - HYDRAULIC SYSTEMS
p
11
a
a
6
5
10
2
8
a
3
2
a
1.020
a
1
page 08a
9
1
1
a
4
5
7
15
16
t
a
a
12
13
1.050a
FIT
1:1
100%

Артикул

Название

Примечание

Количество

1

72217408

HYD CONNECTOR

2шт.

1a

72283080

O-RING

2шт.

2

72950459

ELBOW

1шт.

2a

72283080

O-RING

1шт.

3

72283603

ELBOW

1шт.

3a

72283080

O-RING

1шт.

4

4982514

CABLE TIE,188mm L

CABLE STRAP

1шт.

5

72283551

ELBOW

2шт.

5a

72283080

O-RING

2шт.

6

72280782

HOSE

1шт.

7

72285116

HOSE

1шт.

8

72280784

HOSE

1шт.

9

72280785

HOSE

1шт.

10

72280275

PILOT VALVE

1шт.

See Page 1.080A

1шт.

11

16043434

BOLT,Hex, M8 x 1.25 x 20mm, Cl 10.9, Full Thd

2шт.

12

12654421

WASHER,8.15mm ID x 17mm OD x 3mm Thk

Ø8

2шт.

13

87526517

CLAMP

1шт.

15

72950452

HYD CONNECTOR

1шт.

15a

72283080

O-RING

1шт.

16

72283607

HYD CONNECTOR

1шт.

16a

72283080

O-RING

1шт.

Выбрано товаров: 22