Запчасти Case CX31B (35.359.AE[08]) - CONTROL, LINES, VALVE W/ AND W/OUT ACCUMULATOR, NIBBLER & BREAKER (35) - HYDRAULIC SYSTEMS

Схема запчастей Case CX31B - (35.359.AE[08]) - CONTROL, LINES, VALVE W/ AND W/OUT ACCUMULATOR, NIBBLER & BREAKER (35) - HYDRAULIC SYSTEMS
13
4
6
17
18
17
17
11
1
10
11
14
8
3
2
16
9
10
5
15
11
17
13
14
12
35.359.ae 10
18
7
18
FIT
1:1
100%

Артикул

Название

Примечание

Количество

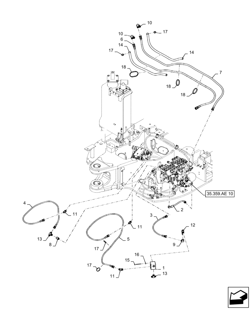
1

PH26V00001F1

VALVE

Shuttle

1шт.

2

HX34L04028DX

HOSE

S/V B (W/Accumulator) - Block P, S/V A (W/O Accumulator) - Block P

1шт.

3

HX23L03050DX

HOSE

C/V Pb2 - Shut/V B

1шт.

4

HX23L03120DX

HOSE ASSY.

S/M PB - C/V Pp1

1шт.

5

HX23L03180DX

HOSE

S/M PP - Shut/V D

1шт.

6

HX24L06175DX

HOSE

Block T - Tank

1шт.

7

HX24L06180DX

HOSE

S/V T - Tank

1шт.

8

2444Z2525

HYD CONNECTOR

1шт.

9

HH35S04004G1

90 ELBOW

1шт.

10

HH35S06006G1

90 ELBOW,90 Degree, 3/8" PF x 3/8" PF x 60mm L

2шт.

11

HH45S04004G1

45 ELBOW

3шт.

12

2444Z4239

TEE

1шт.

13

HH55L04004G2

TEE

2шт.

14

YX06H01004DE

TUBE

2шт.

15

ZS18C06065

SCREW,Hex, M6 x 65mm

Cap

2шт.

16

ZW16H06000

WASHER

2шт.

17

PY01P01043D3

CABLE TIE,188mm L

Clip

4шт.

18

PY01P01043D8

CABLE TIE,102mm L

Clip

3шт.

Выбрано товаров: 18