Запчасти Case CX31B (50.200.BY[02]) - AIR CONDITIONER (50) - CAB CLIMATE CONTROL

Схема запчастей Case CX31B - (50.200.BY[02]) - AIR CONDITIONER (50) - CAB CLIMATE CONTROL
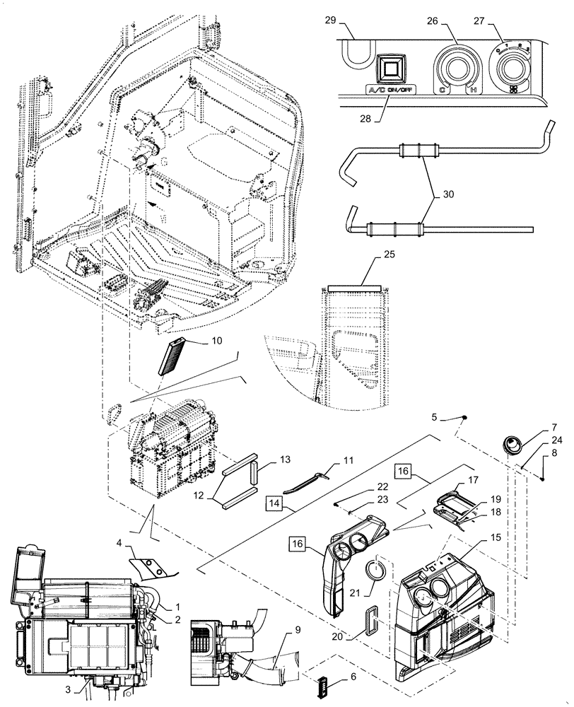
9
1
12
4
29
16
6
23
28
15
20
5
11
3
22
24
30
16
17
13
18
19
14
10
2
25
27
21
26
7
8
FIT
1:1
100%

Артикул

Название

Примечание

Количество

1

PX20M01047P1

INSULATION

1шт.

2

PM21M01010P1

TUBE

1шт.

3

ZC16X01400

CLIP

1шт.

4

PX20M01085P1

COVER

1шт.

5

PY20M01245P1

CLIP

1шт.

6

PS20M01020P1

GRILLE

1шт.

7

PU20M01002P1

CONVEYOR

Grille

2шт.

8

ZS32T50012

SCREW

Cross Tapping

4шт.

9

PM02B01293P1

GROMMET

1шт.

10

PS20M01025P1

INSULATION

1шт.

11

PY20M01224P1

INSULATION

1шт.

12

PS20M01047P1

INSULATION

2шт.

13

PS20M01048P1

INSULATION

1шт.

14

PS20M01097F1

COVER ASSY

Incl 15 - 23

1шт.

15

PS20M01050P2

COVER

1шт.

16

PS20M01094F1

DUCT

Assy, Incl 17 - 19

1шт.

17

PS20M01049P1

DUCT

1шт.

18

PS20M01052P1

PLATE

1шт.

19

PY20M01158S003

RIVET

3шт.

20

PS20M01023P1

INSULATION

1шт.

21

PS20M01053P1

INSULATION

2шт.

22

ZS32T50014

SCREW

Cross Tapping

4шт.

23

PM51C01077P1

WASHER

4шт.

24

ZW16K05000

WASHER

4шт.

25

PS20M01091P1

INSULATION

1шт.

26

PS20T01019P1

DECAL

Cold to Hot

1шт.

27

PS20T01020P1

DECAL

Fan Speed

1шт.

28

PS20T01021P1

DECAL

A/C - ON/OFF

1шт.

29

PS20T01053P1

PLATE

1шт.

30

PX20M01084P1

COVER

Insulation

2шт.

Выбрано товаров: 30