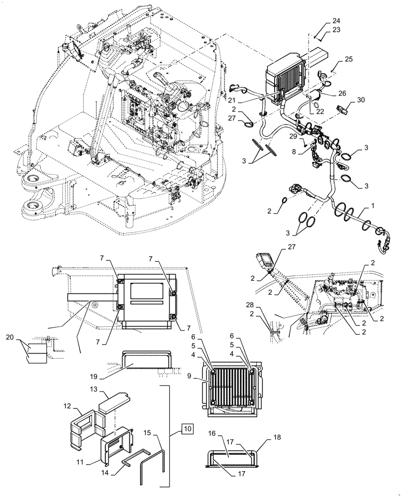
Запчасти Case CX31B (55.050.AH[01]) - HARNESS, ASSY - ASN PW16-80067 (55) - ELECTRICAL SYSTEMS

Схема запчастей Case CX31B - (55.050.AH[01]) - HARNESS, ASSY - ASN PW16-80067 (55) - ELECTRICAL SYSTEMS
15
2
29
7
2
27
2
2
9
3
2
2
27
11
5
20
4
7
16
25
14
22
26
13
30
2
7
21
17
2
18
7
28
10
6
3
2
1
8
4
19
24
3
3
12
6
23
5
17
FIT
1:1
100%

Артикул

Название

Примечание

Количество

1

PX11E01050P3

WIRE HARNESS

1шт.

2

PY01P01043D3

CABLE TIE,188mm L

Clip

16шт.

3

PY01P01043D5

CABLE TIE,301mm L

Clip

12шт.

4

ZS18C06055

SCREW,Hex, M6 x 55mm

Cap

4шт.

5

YT21P01001P1

WASHER

4шт.

6

ZW26X06000

LOCK WASHER

4шт.

7

ZM73C08016

BOLT,M8x16mm - Course Thread

Sems

4шт.

8

PA24E01001P1

RELAY,12V - 20amp

(Used for Deceleration, Charge Indicator, Cab/Canopy Working Light, Horn, Slew/Swing Select, Slew/Swing Preservation, Nibbler Open/Close, Liquid Crystal Display, Quick Coupler)

1шт.

9

PS22E00001F3

CONTROLLER

Expansion, Serial Range: PW16-80001-PW16-80038

1шт.

9

PS22E00001F4

CONTROLLER

Expansion, Serial Range: PW16-80039-PW16-80259

1шт.

9

PS22E00001F7

CONTROLLER

Expansion, Start Serial: PW16-80260

1шт.

10

PX11E01100F2

COVER ASSY

Incl 11 - 15

1шт.

11

PX11E01101P1

COVER

1шт.

12

PX11E01103P1

INSULATION

1шт.

13

PX11E01104P1

INSULATION

1шт.

14

PX11E01107P1

RUBBER STRIP

1шт.

15

PX11E01121P1

RUBBER STRIP

1шт.

16

PX11E01111P1

RUBBER STRIP

1шт.

17

PX11E01092P1

RUBBER STRIP

2шт.

18

PX11E01109P1

RUBBER STRIP

1шт.

19

PX11E01095P1

INSULATION

1шт.

20

PX11E01096P1

INSULATION

, Serial Range: PW16-80001-PW16-80190

2шт.

20

PX10M01188P1

INSULATION

, Start Serial: PW16-80191

1шт.

20

PX11E01129P1

INSULATION

, Start Serial: PW16-80191

1шт.

21

PX11E01097P1

GROMMET

1шт.

22

YJ53S01001D1

BUZZER

1шт.

23

ZM61C04016

BOLT

Sems

2шт.

24

ZW16K04000

WASHER

2шт.

25

ZN18C04003

NUT

2шт.

26

PS11E01032P1

RUBBER STRIP

1шт.

27

YN13E01375P1

CLIP,M8 x 8.20mm Shank

3шт.

28

YT11E01043P1

SPRING

Clip

1шт.

29

ZM61C06012

BOLT

Sems

1шт.

30

NSS

NOT SOLD SEPARAT

Not Used on This Model

1шт.

Выбрано товаров: 34