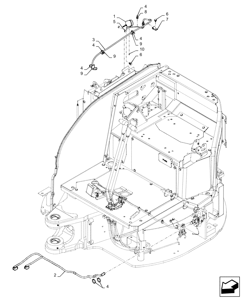
Запчасти Case CX31B (55.100.DP[06]) - TRAVEL ALARM, ASSY (55) - ELECTRICAL SYSTEMS

Схема запчастей Case CX31B - (55.100.DP[06]) - TRAVEL ALARM, ASSY (55) - ELECTRICAL SYSTEMS
4
4
7
10
4
8
3
6
9
5
4
9
1
6
9
2
4
FIT
1:1
100%

Артикул

Название

Примечание

Количество

1

PM53S00001F2

ALARM

Travel

1шт.

2

PX11E01061P1

WIRE HARNESS

Travel Alarm

1шт.

3

PX11E01088P1

WIRE HARNESS

Travel Alarm

1шт.

4

PY01P01043D3

CABLE TIE,188mm L

Clip

15шт.

5

PX11E01089P1

BRACKET

1шт.

6

ZM73C08016

BOLT,M8x16mm - Course Thread

Sems

2шт.

7

EW02E01015D3

CLIP

1шт.

8

YN13E01375P1

CLIP,M8 x 8.20mm Shank

3шт.

9

YT11E01043P1

SPRING

Clip

3шт.

10

ZS32T40008

SELF-TAP SCREW

Cross Tapping

2шт.

Выбрано товаров: 10