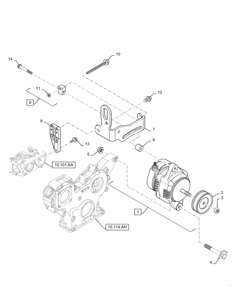
Запчасти Case CX31B (55.301.AA) - ALTERNATOR ASSY (55) - ELECTRICAL SYSTEMS

Схема запчастей Case CX31B - (55.301.AA) - ALTERNATOR ASSY (55) - ELECTRICAL SYSTEMS
11
1
12
10
7
10.101.aa
3
5
6
2
9
14
13
10.114.ah
4
8
FIT
1:1
100%

Артикул

Название

Примечание

Количество

1

VV12942377200

ALTERNATOR

12V - 40A, Incl 2 - 3

1шт.

2

VV11962077461

PULLEY

1шт.

3

VV11962077471

NUT

1шт.

4

VV11974077251

BOLT,M10 x 80mm

M10X80

1шт.

5

VV26306100002

NUT,M10

M10

1шт.

6

VV129C0107910

SPACER

Lifter

1шт.

7

VV12901777310

ADJUSTER

Belt

1шт.

8

VV12473277340

SPACER

1шт.

9

VV12963077350

BLOCK

Assy, Adjuster, Incl 10, 11

1шт.

10

VV12963077380

BOLT,M8 x 100mm

M8X100

1шт.

11

VV22272000050

CIRCLIP

Ring, E - 5

1шт.

12

VV26106080162

BOLT,M8 x 16mm

M8X16 Plated

2шт.

13

VV26106080252

BOLT,M8 x 25mm

M8X25 Plated

2шт.

14

VV26106080652

BOLT,M8 x 65mm

M8X65 Plated

1шт.

Выбрано товаров: 0