Запчасти Case CX31B (10.001.AD[01]) - CYLINDER BLOCK (10) - ENGINE

Схема запчастей Case CX31B - (10.001.AD[01]) - CYLINDER BLOCK (10) - ENGINE
14
15
12
4
7
11
13
9
6
8
6
5
3
2
10
4
15
10
1
9
4
FIT
1:1
100%

Артикул

Название

Примечание

Количество

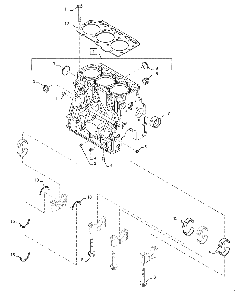
1

VV72900501560

CYLINDER,3 Cylinders

Block Assy, Incl 2 - 10

1шт.

2

VV12406001050

PLUG,1/8"

PT

1шт.

3

VV12900101250

PLUG

50

1шт.

4

VV12416001910

PLUG,1/4"

PT

3шт.

5

VV17105101921

PLUG

NPTF1

1шт.

6

VV12915002020

BOLT

Metal Cap

8шт.

7

VV12979502412

BUSHING

Camshaft

1шт.

8

VV27241120000

PLUG

12

2шт.

9

VV27241300000

PLUG

30

6шт.

10

VV12915002931

THRUST BEARING

2шт.

11

VV12915001200

STUD

Bolt, Head

14шт.

12

VV12900101340

GASKET

Head

1шт.

13

VV12900102931

PLATE

Bearing, Main

4шт.

14

VV12915002871

PLATE

Bearing, -0.25 US

4шт.

15

VV12915002941

PLATE

Bearing, Thrust +0.25

2шт.

Выбрано товаров: 15