Запчасти Case CX31B (10.218.AQ[01]) - FUEL INJECTION PUMP (10) - ENGINE

Схема запчастей Case CX31B - (10.218.AQ[01]) - FUEL INJECTION PUMP (10) - ENGINE
2
3
5
4
1
6
10.218.aq 02
FIT
1:1
100%

Артикул

Название

Примечание

Количество

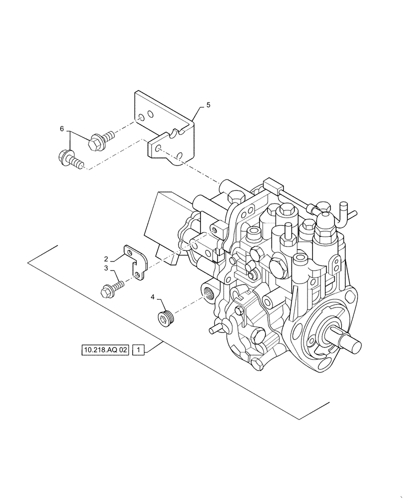
1

VV72901751320

FUEL INJECTION PUMP

Fie Assy, Incl 2 - 4

1шт.

2

VV12992751670

BRACKET

1шт.

3

VV26106060142

BOLT,M6 x 14mm

Plated

1шт.

4

VV27241160000

PLUG

16

1шт.

5

VV12926351251

RETAINER

Pump

1шт.

6

VV26106080162

BOLT,M8 x 16mm

Plated

4шт.

Выбрано товаров: 6