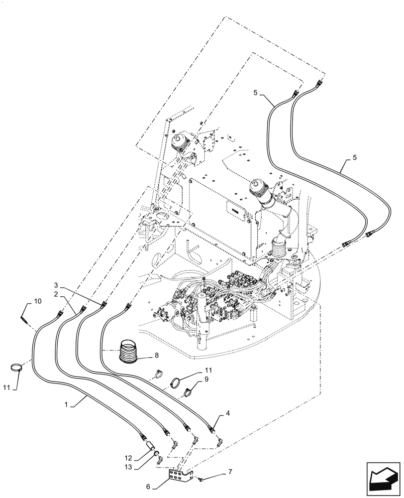
Запчасти Case CX31B (35.204.BJ[01]) - CONTROL, LINES, REMOTE - BHL MULTI (35) - HYDRAULIC SYSTEMS

Схема запчастей Case CX31B - (35.204.BJ[01]) - CONTROL, LINES, REMOTE - BHL MULTI (35) - HYDRAULIC SYSTEMS
4
12
11
6
5
7
2
8
11
1
3
9
10
13
5
FIT
1:1
100%

Артикул

Название

Примечание

Количество

1

HX23L03135DR

HOSE

Bucket, Red (P/V 1 - Block 1)

1шт.

2

HX23L03135DB

HOSE

Bucket, Blue (P/V 2 - Block 2)

1шт.

3

HX23L03135DG

HOSE

Boom, Green (P/V 3 - Block 3)

1шт.

4

HX23L03135DH

HOSE

Boom, Gray (P/V 4 - Block 4)

1шт.

5

HX24L04160DX

HOSE

Swing, Gray (P/V P - Block P) (P/V T - Block T), Serial Range: PW16-80001-PW16-80190

2шт.

5

HX24L04160DX

HOSE

Swing, Gray (P/V T - Block T), Start Serial: PW16-80191

1шт.

5

HX23L04160DD

HOSE

Swing, Gray (P/V P - Block P), Start Serial: PW16-80191

1шт.

6

PS68H01008P1

BLOCK

1шт.

7

ZM73C08020

BOLT,M8x20mm - Course Thread

2шт.

8

YY03M01046P1

BOOT

1шт.

9

YN13E01375P1

CLIP,M8 x 8.20mm Shank

2шт.

10

PY01P01043D5

CABLE TIE,301mm L

Clip

1шт.

11

PY01P01043D8

CABLE TIE,102mm L

Clip

3шт.

12

2420Z1351D3

HOSE

1шт.

13

PY01P01043D3

CABLE TIE,188mm L

Clip

1шт.

Выбрано товаров: 15