Запчасти Case CX36B (35.204.BJ[04]) - CONTROL, LINES, REMOTE - BHL MULTI, ANGLE, DOZER (35) - HYDRAULIC SYSTEMS

Схема запчастей Case CX36B - (35.204.BJ[04]) - CONTROL, LINES, REMOTE - BHL MULTI, ANGLE, DOZER (35) - HYDRAULIC SYSTEMS
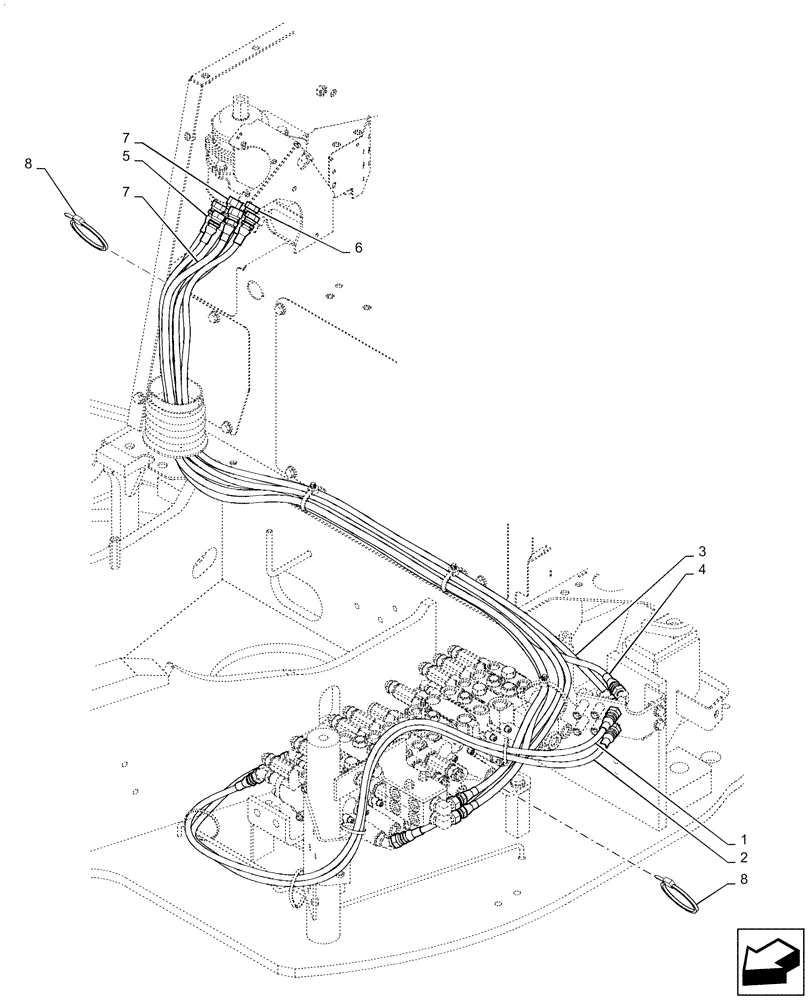
1
7
3
8
5
8
4
7
2
6
FIT
1:1
100%

Артикул

Название

Примечание

Количество

1

HX23L03115DX

HOSE ASSY.

Block 5 - C/V Pb1

1шт.

2

HX23L03120DX

HOSE ASSY.

Block 6 - C/V Pb3

1шт.

3

HX23L03130DX

HOSE

P/V 3 - Block 6, Angle Left

1шт.

4

HX23L03135DX

HOSE

P/V 4 - Block 5, Dozer Lowring

1шт.

5

HX23L03165DX

HOSE

P/V 1 - C/V Pa3, Angle Right

1шт.

6

HX23L03170DX

HOSE

P/V 2 - C/V Pa1, Dozer Rising

1шт.

7

HX24L04160DX

HOSE

P/V T - Block T, P/V P - Block P, Angle Dozer, Serial Range: PX17-40001-PX17-40664

2шт.

7

HX24L04160DX

HOSE

P/V T - Block T, Angle Dozer, Start Serial: PX17-40665

1шт.

7

HX23L04160DD

HOSE

P/V P - Block P, Angle Dozer, Start Serial: PX17-40665

1шт.

8

PY01P01043D5

CABLE TIE,301mm L

Clip

2шт.

Выбрано товаров: 10