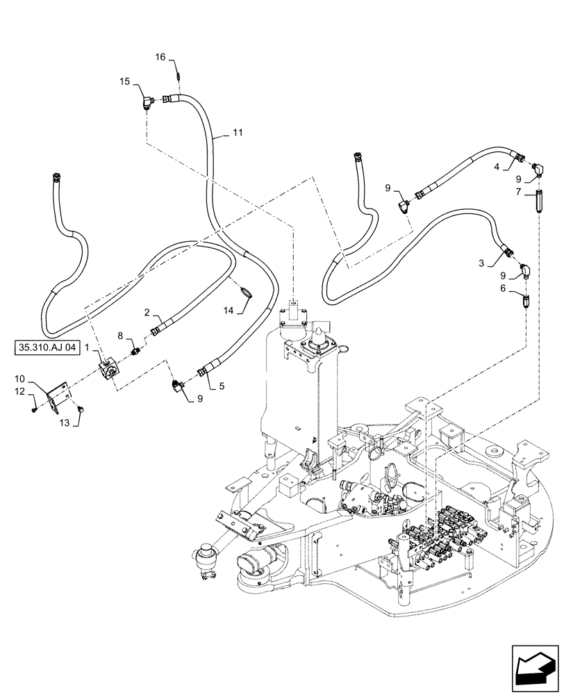
Запчасти Case CX36B (35.310.AJ[03]) - HYD. LINE, UPPER, NIBBLER & BREAKER (35) - HYDRAULIC SYSTEMS

Схема запчастей Case CX36B - (35.310.AJ[03]) - HYD. LINE, UPPER, NIBBLER & BREAKER (35) - HYDRAULIC SYSTEMS
9
10
16
11
1
9
3
8
2
4
14
7
13
35.310.aj 04
12
15
9
6
5
9
FIT
1:1
100%

Артикул

Название

Примечание

Количество

1

PA30V00005F1

VALVE

Selector

1шт.

2

PX03H01055D1

HOSE

Sel/V - N&B H

1шт.

3

LE03H01327DM

HOSE

C/V B4 - N&B R

1шт.

4

PS03H01003D2

HOSE

Sel/V - C/V A4

1шт.

5

PX03H01056D3

HOSE

Sel/V - Tank

1шт.

6

HH25R06006GD

WIRE CONNECTOR

1шт.

7

HH25R06006G4

HYD CONNECTOR

1шт.

8

HH25S08006G2

HYD CONNECTOR

1шт.

9

HH35S08006G1

90 ELBOW

4шт.

10

PH03H01102P1

BRACKET

1шт.

11

YN20M01046DV

PROTECTIVE SLEEVE,22.10mm ID x 27.00mm OD x 950.00mm

1шт.

12

ZM73C08016

BOLT,M8x16mm - Course Thread

Sems

4шт.

13

ZM73C10020

BOLT,M10x20mm - Course Thread

Sems

2шт.

14

PY01P01043D5

CABLE TIE,301mm L

Clip

1шт.

15

HH35S08008G1

90 ELBOW

1шт.

16

PY01P01043D3

CABLE TIE,188mm L

Clip

1шт.

Выбрано товаров: 16