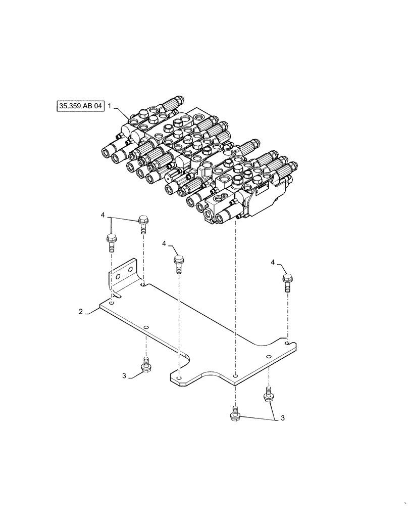
Запчасти Case CX36B (35.359.AB[03]) - VALVE INSTALL - NIBBLER & BREAKER (35) - HYDRAULIC SYSTEMS

Схема запчастей Case CX36B - (35.359.AB[03]) - VALVE INSTALL - NIBBLER & BREAKER (35) - HYDRAULIC SYSTEMS
35.359.ab 04
4
2
4
3
1
4
3
FIT
1:1
100%

Артикул

Название

Примечание

Количество

1

PX30V00081F1

CONTROL VALVE

Assy, Nibbler & Breaker, Serial Range: PX17-40001-PX17-40297

1шт.

1

PX30V00081F2

CONTROL VALVE

Assy, Nibbler & Breaker, Serial Range: PX17-40298-PX17-40454

1шт.

1

PX30V00081F3

CONTROL VALVE

Assy, Nibbler & Breaker, Serial Range: PX17-40455-PX17-40498

1шт.

1

PX30V00081F4

CONTROL VALVE

Assy, Nibbler & Breaker, Start Serial: PX17-40499

1шт.

2

PX64H01012P1

BRACKET

1шт.

3

ZM73C10025

BOLT,M10x25mm - Course Thread

Sems

3шт.

4

ZM73C10035

BOLT,M10x35mm - Course Thread

Sems

4шт.

Выбрано товаров: 7