Запчасти Case CX36B (35.359.AB[12]) - VALVE SECTION (35) - HYDRAULIC SYSTEMS

Схема запчастей Case CX36B - (35.359.AB[12]) - VALVE SECTION (35) - HYDRAULIC SYSTEMS
16
2
8
16
12
16
9
11
16
6
14
4
3
13
15
10
7
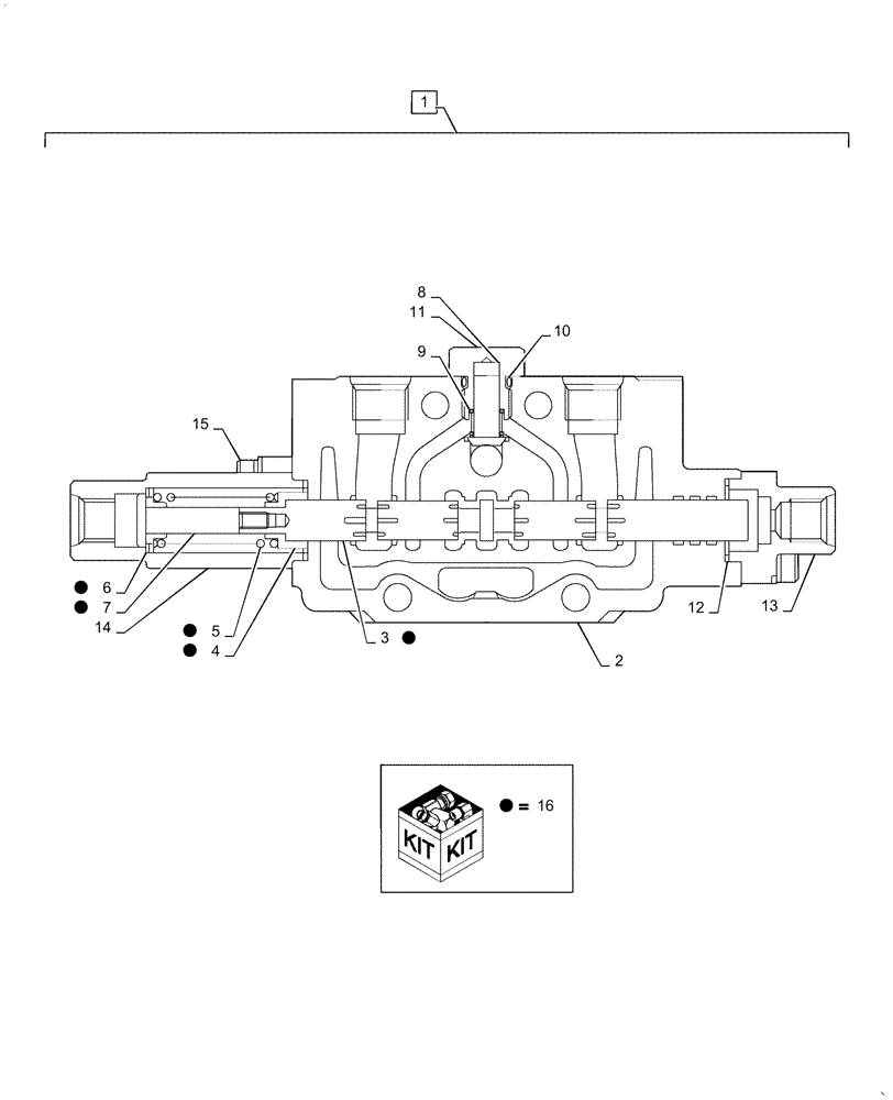
1
16
16
16
5
FIT
1:1
100%

Артикул

Название

Примечание

Количество

1

PX30V00085F1

VALVE SECTION

Assy, Slewing, Incl 2 - 16

1шт.

2

NSS

NOT SOLD SEPARAT

Body, Incl in 1

1шт.

3

NSS

NOT SOLD SEPARAT

Spool, Incl in 1, 16

1шт.

4

NSS

NOT SOLD SEPARAT

Seat, Incl in 1, 16

1шт.

5

NSS

NOT SOLD SEPARAT

Spring, Incl in 1, 16

1шт.

6

NSS

NOT SOLD SEPARAT

Seat, Incl in 1, 16

1шт.

7

NSS

NOT SOLD SEPARAT

Spool, Incl in 1, 16

1шт.

8

PH30V00003S006

POPPET

1шт.

9

PH30V00003S007

SPRING

1шт.

10

ZD12P01100

O-RING

1шт.

11

PH30V00003S009

PLUG

1шт.

12

PW30V01008S011

O-RING

2шт.

13

PM30V00021S012

COVER

1шт.

14

PM30V00021S013

COVER

1шт.

15

PM30V00021S014

SCREW

Cap

4шт.

16

PX30V00085R100

REPAIR KIT

Incl 3 - 7

1шт.

Выбрано товаров: 16