Качественные детали и логистика
Оригинальные и аналоговые запчасти с доставкой по России, Казахстану и Беларуси
©2022 PartSell ООО "Система" ИНН 2463123282 ОГРН 1212400004838
Центральный офис: г. Красноярск, Академика Киренского, д.87, пом.4
Телефон: 8 (800) 777-65-74 Email: zakaz@partsell.ru
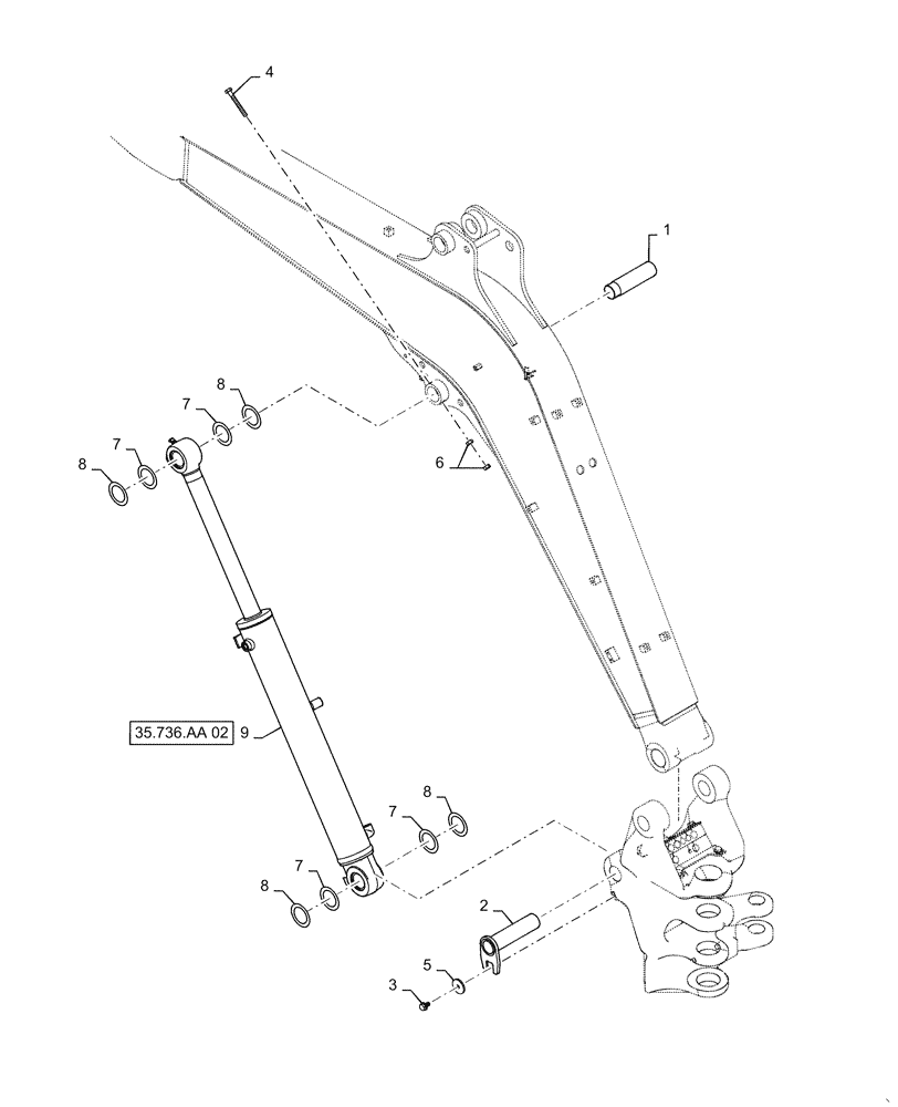
(35.736.AA[01]) - CYLINDER, INSTALL - BOOM
№
Артикул
Название
Примечание
Количество
1
PX02B01375P1
PIN
1шт.
2
PX02B01437P1
3
ZM73C10020
BOLT,M10x20mm - Course Thread
Sems
4
HS18C10085G2
BOLT
Capscrew
5
2418T21137
WASHER
6
ZN18C10008
NUT
2шт.
7
PR02B01108P1
SHIM,0.5mm Thk
0.5
4шт.
8
PR02B01121D1
SHIM,47mm ID x 70mm OD x 0.9mm Thk
9
PX01V00069F1
HYDRAULIC CYLINDER
Boom
Выбрано товаров: 0