Качественные детали и логистика
Оригинальные и аналоговые запчасти с доставкой по России, Казахстану и Беларуси
©2022 PartSell ООО "Система" ИНН 2463123282 ОГРН 1212400004838
Центральный офис: г. Красноярск, Академика Киренского, д.87, пом.4
Телефон: 8 (800) 777-65-74 Email: zakaz@partsell.ru
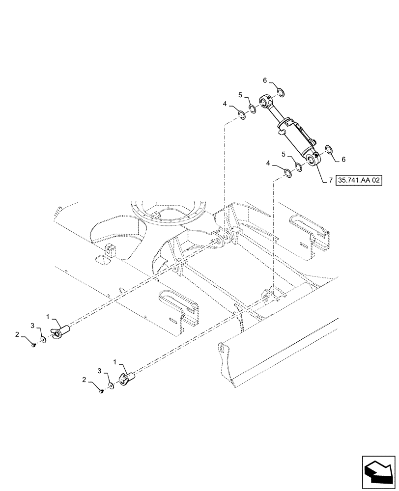
(35.741.AA[01]) - CYLINDER, INSTALL - DOZER
№
Артикул
Название
Примечание
Количество
1
PX51B01162P1
PIN
Assy
2шт.
2
ZM73C12020
BOLT,M12x20mm - Course Thread
Sems
3
2418T17895
WASHER
4
B16T0442D64
SHIM,70mm OD x 47mm ID x 1.2mm Thk
5
B16T0442D65
SHIM,70mm OD x 47mm ID x 1.6mm Thk
6
B16T0442D66
SHIM,70mm OD x 47mm ID x 2.3mm Thk
7
PX01V00073F1
HYDRAULIC CYLINDER
Dozer
1шт.
Выбрано товаров: 0