Запчасти Case CX36B (35.741.AA[03]) - CYLINDER, INSTALL - ANGLE DOZER (35) - HYDRAULIC SYSTEMS

Схема запчастей Case CX36B - (35.741.AA[03]) - CYLINDER, INSTALL - ANGLE DOZER (35) - HYDRAULIC SYSTEMS
3
6
1
2
2
5
5
4
4
7
4
6
4
1
5
5
6
35.741.aa 04
6
3
FIT
1:1
100%

Артикул

Название

Примечание

Количество

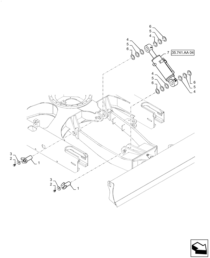
1

PS51B01010P1

PIN

Assy

2шт.

2

ZM73C12020

BOLT,M12x20mm - Course Thread

Sems

2шт.

3

2418T17895

WASHER

2шт.

4

B16T0442D64

SHIM,70mm OD x 47mm ID x 1.2mm Thk

2шт.

5

B16T0442D65

SHIM,70mm OD x 47mm ID x 1.6mm Thk

2шт.

6

B16T0442D66

SHIM,70mm OD x 47mm ID x 2.3mm Thk

2шт.

7

PX01V00043F2

CYLINDER

Dozer

1шт.

Выбрано товаров: 7