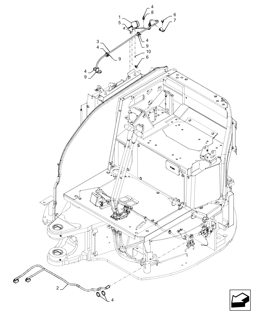
Запчасти Case CX36B (55.100.DP[06]) - TRAVEL ALARM, ASSY (55) - ELECTRICAL SYSTEMS

Схема запчастей Case CX36B - (55.100.DP[06]) - TRAVEL ALARM, ASSY (55) - ELECTRICAL SYSTEMS
4
3
9
2
5
6
4
4
1
10
9
4
8
9
7
4
6
FIT
1:1
100%

Артикул

Название

Примечание

Количество

1

PM53S00001F2

ALARM

Travel

1шт.

2

PX11E01061P1

WIRE HARNESS

Travel Alarm, Serial Range: PX17-40001-PX17-40540

1шт.

2

PX11E01061P2

WIRE HARNESS

Travel Alarm, Start Serial: PX17-40541

1шт.

3

PX11E01088P1

WIRE HARNESS

Travel Alarm

1шт.

4

PY01P01043D3

CABLE TIE,188mm L

Clip

15шт.

5

PX11E01089P1

BRACKET

1шт.

6

ZM73C08016

BOLT,M8x16mm - Course Thread

Sems, Serial Range: PX17-40001-PX17-40540

2шт.

6

ZM73C08020

BOLT,M8x20mm - Course Thread

Sems, Start Serial: PX17-40541

2шт.

7

EW02E01015D3

CLIP

1шт.

8

YN13E01375P1

CLIP,M8 x 8.20mm Shank

3шт.

9

YT11E01043P1

SPRING

Clip

3шт.

10

ZS32T40008

SELF-TAP SCREW

Cross Tapping

2шт.

Выбрано товаров: 0