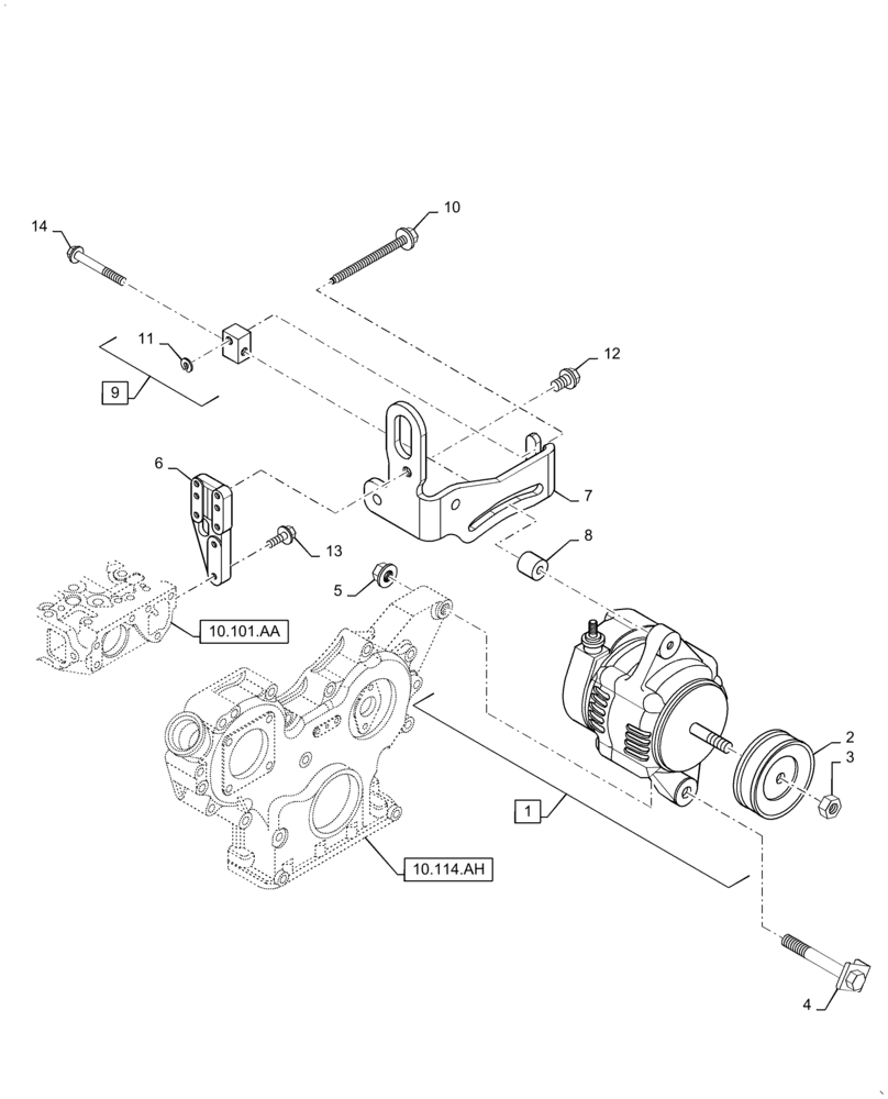
Запчасти Case CX36B (55.301.AA) - ALTERNATOR ASSY (55) - ELECTRICAL SYSTEMS

Схема запчастей Case CX36B - (55.301.AA) - ALTERNATOR ASSY (55) - ELECTRICAL SYSTEMS
13
5
4
1
2
11
3
14
10.114.ah
10.101.aa
12
10
8
9
7
6
FIT
1:1
100%

Артикул

Название

Примечание

Количество

1

VV12942377200

ALTERNATOR

12V - 40A, Incl 2 - 3

1шт.

2

VV11962077461

PULLEY

1шт.

3

VV11962077471

NUT

1шт.

4

VV11974077251

BOLT,M10 x 80mm

M10X80

1шт.

5

VV26306100002

NUT,M10

M10

1шт.

6

VV129C0107910

SPACER

Lifter

1шт.

7

VV12901777310

ADJUSTER

Belt

1шт.

8

VV12473277340

SPACER

1шт.

9

VV12963077350

BLOCK

Assy, Adjuster, Incl 10, 11

1шт.

10

VV12963077380

BOLT,M8 x 100mm

M8X100

1шт.

11

VV22272000050

CIRCLIP

Ring, E - 5

1шт.

12

VV26106080162

BOLT,M8 x 16mm

M8X16 Plated

2шт.

13

VV26106080252

BOLT,M8 x 25mm

M8X25 Plated

2шт.

14

VV26106080652

BOLT,M8 x 65mm

M8X65 Plated

1шт.

Выбрано товаров: 14