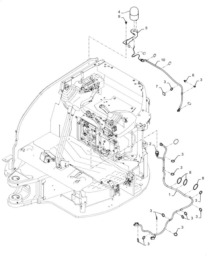
Запчасти Case CX36B (55.404.AC[01]) - ROTATING BEACON (55) - ELECTRICAL SYSTEMS

Схема запчастей Case CX36B - (55.404.AC[01]) - ROTATING BEACON (55) - ELECTRICAL SYSTEMS
3
2
3
10
3
3
6
3
3
4
3
5
3
1
3
8
8
9
7
3
FIT
1:1
100%

Артикул

Название

Примечание

Количество

1

PX11E01070P1

WIRE HARNESS

Rotary Beacon

1шт.

2

PM24S00001P1

RELAY

Rotary Beacon

1шт.

3

PY01P01043D3

CABLE TIE,188mm L

21шт.

4

PY80S00005P1

BEACON

Rotary

1шт.

5

PX11E01075P2

PLATE

1шт.

6

YN13E01375P1

CLIP,M8 x 8.20mm Shank

1шт.

7

YT11E01043P1

SPRING

2шт.

8

PY01P01043D5

CABLE TIE,301mm L

3шт.

9

ZM73C08020

BOLT,M8x20mm - Course Thread

1шт.

10

PX11E01056P1

WIRE HARNESS

Rotary Beacon

1шт.

Выбрано товаров: 10