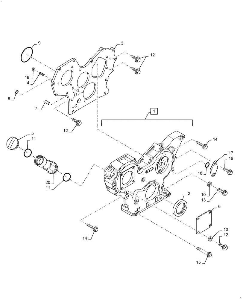
Запчасти Case CX36B (10.114.AH) - GEAR, HOUSING (10) - ENGINE

Схема запчастей Case CX36B - (10.114.AH) - GEAR, HOUSING (10) - ENGINE
10
14
20
1
4
10
11
8
18
6
5
19
3
2
11
15
12
7
12
13
16
17
14
9
12
FIT
1:1
100%

Артикул

Название

Примечание

Количество

1

VV72963001500

GEARBOX

Case Assy, Incl 2

1шт.

2

VV11993401800

SEAL

Oil

1шт.

3

VV11980301520

FLANGE

Gear Case

1шт.

4

VV11980201561

BOLT,M8 x 25mm

Stud

3шт.

5

VV12416001751

CAP

Cover, Filler

1шт.

6

VV12424001871

COVER

Square

1шт.

7

VV12979501950

PIPE

Knock L=18

2шт.

8

VV11960932040

O-RING

P16

2шт.

9

VV12185051960

O-RING

1шт.

10

VV22190080002

SEAL

Washer, 8

5шт.

11

VV24311000320

O-RING

1AP32.0

2шт.

12

VV26106080162

BOLT,M8 x 16mm

Plated

7шт.

13

VV26106080302

BOLT,M8 x 30mm

Plated

1шт.

14

VV26106080552

BOLT,M8 x 55mm

Plated

12шт.

15

VV26106080852

SCREW,M8 x 85mm

Plated

3шт.

16

VV26306080002

NUT,M8

3шт.

17

VV12102301551

CAP

Cover

1шт.

18

VV24341000240

O-RING

1AS24.0

1шт.

19

VV26106060162

BOLT,M6 x 16mm

Plated

2шт.

20

VV17103111741

PIPE

Engine Oil Fill

1шт.

Выбрано товаров: 20