Запчасти Case CX36B (240-01[5]) - GUARD INSTAL (CANOPY) (05) - SUPERSTRUCTURE

Схема запчастей Case CX36B - (240-01[5]) - GUARD INSTAL (CANOPY) (05) - SUPERSTRUCTURE
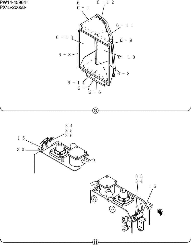
6-7
6-14
6-13
30
6-11
34
6-6
16
6-8
33
35
34
6-8
6
36
6-10
6-12
6-1
15
6-9
FIT
1:1
100%

Артикул

Название

Примечание

Количество

PW21C00032F1

Guard Instal (canopy)

1шт.

2

PW22C00021F1

ENGINE HOOD

Bonnet

1шт.

2-1

PW22C01148P1

ACCESS COVER

Bonnet

1шт.

2-8

PW22C01161P2

CHECK VALVE

Hinge

1шт.

2-10

PW21C01413P1

CAPSCREW

Cap

2шт.

2-11

ZW16X08000

WASHER,8mm ID x 17mm OD x 1.6mm Thk

2шт.

2-12

ZW26X08000

LOCK WASHER

Lock

2шт.

2-13

ZN18C08007

NUT

2шт.

2-14

PW22C01159P1

FOAM INSULATION

1шт.

2-15

PW22C01130P1

FOAM INSULATION

1шт.

2-19

YR21C01165D8

WEATHERSTRIP

1шт.

2-20

YN21C01712DD

WEATHERSTRIP

1шт.

3

PW21C01820F1

COVER ASSY

(Primer Colored)

1шт.

5

PW21C01804F1

COVER ASSY

Incls. Refs. 5-1 - 5-5

1шт.

5-1

PW21C01790P1

COVER ASSY

1шт.

5-2

PM21C01233P1

RUBBER

1шт.

5-3

PM21C01152DV

WEATHERSTRIP

1шт.

5-4

PW21C01683P1

FOAM INSULATION

1шт.

5-5

PW21C01684P1

FOAM INSULATION

1шт.

19

PA41C01005D3

BOLT

Sems

2шт.

20

YT21C01187P2

WASHER

2шт.

27

ZW26X12000

LOCK WASHER

2шт.

28

2418T10357

WASHER

2шт.

37

ZS18C12030

SCREW,Hex, M12 x 30mm

Cap

2шт.

39

PW21C01701F1

COVER ASSY

Cover

1шт.

39-1

PW21C01796P1

COVER

Cover

1шт.

39-2

YJ21C01079D3

WEATHERSTRIP

1шт.

40

PM20P01083P1

GROMMET

1шт.

2-2

PW22C01067P1

LOCK

1шт.

2-3

PH22C01023P1

BOLT

4шт.

2-4

ZN18C05004

NUT

4шт.

2-5

ZW26X05000

LOCK WASHER

Lock

4шт.

2-6

PM21C01268F1

LOCK

1шт.

2-6a

YR22C01025P2

LOCK

1шт.

2-6b

PM21C01269P1

PLATE

1шт.

2-7

ZW16H05000

WASHER

4шт.

2-9

PW22C01160P3

BRACKET

1шт.

3-1

PW21C01657P1

COVER

(Primer Colored)

1шт.

3-2

YZ21C01094D8

WEATHERSTRIP

1шт.

3-3

PM21C01152DR

WEATHERSTRIP

1шт.

3-4

PM21C01091DK

WEATHERSTRIP

1шт.

3-5

PW21C01718D1

RUBBER

1шт.

3-6

PE21C01135D3

TRIM PANEL

1шт.

3-7

PW21C01821P1

FOAM INSULATION

1шт.

17

ZW16X08000

WASHER,8mm ID x 17mm OD x 1.6mm Thk

2шт.

18

2419R9D2

COTTER PIN

Snap

1шт.

19

PA41C01005D3

BOLT

Sems

2шт.

20

YT21C01187P2

WASHER

2шт.

21

PA21C01133P1

BOLT

Sems

2шт.

38

PW22C01173P2

STAY

Stay

1шт.

42

PM21C01142P1

BOLT

Sems

1шт.

1

PW21C00027F1

COVER ASSY

Side

1шт.

1-1

PW21C01667P1

COVER

1шт.

1-1h

PW21C01635P1

HINGE

2шт.

1-2

PW21C01799F1

GUARD

GUARD ASSY; Mesh Screen

1шт.

1-2a

PW21C01784P1

GUARD

1шт.

1-2c

PW21C01583D2

RUBBER

1шт.

1-2d

PW21C01583D3

RUBBER

2шт.

1-3

ZN18C06005

NUT

6шт.

1-4

ZW26X06000

LOCK WASHER

6шт.

1-5

YT21P01001P1

WASHER

6шт.

1-6

YN21C01321P1

STOP

Stopper

1шт.

1-7

ZN17F10008

NUT

1шт.

1-8

PM21C01268F1

LOCK

Assy

1шт.

1-8a

YR22C01025P2

LOCK

1шт.

1-8b

PM21C01269P1

PLATE

1шт.

1-9

PW21C01636P1

FOAM INSULATION

1шт.

1-10

PW21C01682P1

RUBBER

2шт.

1-11

YW21C01057D1

WEATHERSTRIP

1шт.

1-12

PW21C01583D1

RUBBER

1шт.

1-13

PW21C01713P1

GUARD

Guard

1шт.

1-14

ZS41C05012

CAPSCREW,M5 x 12mm

Machine

2шт.

1-15

PW21C01742P3

RUBBER

1шт.

1-16

PW21C01740P3

RUBBER

1шт.

1-17

PE21C01135D8

SEAL

1шт.

4

PW21C01801F1

COVER ASSY

1шт.

4-1

PW21C01802P1

COVER ASSY

R/h

1шт.

4-2

PM21C01233P1

RUBBER

1шт.

4-3

2427P1836D32

WEATHERSTRIP

1шт.

4-4

PW21C01629P1

FOAM INSULATION

1шт.

19

PA41C01005D3

BOLT

Sems

1шт.

27

ZW26X12000

LOCK WASHER

2шт.

31

ZN18C12010

NUT

2шт.

32

ZW16H12000

WASHER

2шт.

44

PB02B01012D3

SHIM,1.2mm Thk

Shim (1. 2)

1шт.

6-2

YJ21C01079D2

WEATHERSTRIP

1шт.

6-3

YT21C01163D3

WEATHERSTRIP

1шт.

6-4

YT21C01163D7

WEATHERSTRIP

1шт.

6-5

YJ21C01079D7

WEATHERSTRIP

1шт.

7

PW21C01788P1

SUPPORT

1шт.

8

PW21C01653P1

STAY

1шт.

9

PW21C01652P1

BRACKET

1шт.

10

PW21C01669P1

STAY

1шт.

11

PW21C01797F1

PLATE

Plate

1шт.

11-1

PW21C01785P1

PLATE

1шт.

11-2

2427P1836D28

WEATHERSTRIP

1шт.

11-3

PH21C01136DK

RUBBER WEATHERSTRIP

Strip, Weather

1шт.

12

PW21C01660F1

GUARD ASSY.

1шт.

12-1

PW21C01661P1

GUARD

1шт.

12-2

YT21C01037D1

TRIM PANEL

1шт.

12-3

YJ21C01146D1

TRIM PANEL

1шт.

12-4

YJ21C01146D5

SOFT TRIM

1шт.

13

PW21C01689P1

STRIKER PLATE

1шт.

14

PW21C01699D1

SHIM

2шт.

17

ZW16X08000

WASHER,8mm ID x 17mm OD x 1.6mm Thk

1шт.

18

2419R9D2

COTTER PIN

Snap

1шт.

19

PA41C01005D3

BOLT

Sems

2шт.

20

YT21C01187P2

WASHER

2шт.

21

PA21C01133P1

BOLT

Sems

2шт.

22

ZS18C12045

SCREW,Hex, M12 x 45mm

Cap

2шт.

23

ZS18C16055

SCREW,Hex, M16 x 55mm

Cap

2шт.

24

ZW26X16000

LOCK WASHER

2шт.

25

ZW16H16000

WASHER

2шт.

26

ZS18C12050

SCREW,Hex, M12 x 50mm

Cap

2шт.

27

ZW26X12000

LOCK WASHER

6шт.

28

2418T10357

WASHER

Washer

6шт.

29

ZS18C12035

SCREW,Hex, M12 x 35mm

Cap

2шт.

30

ZM22C08020

BOLT

Sems

4шт.

41

PW21C01741F1

BOX

Assy

1шт.

41-1

PW21C01748P2

BOX

1шт.

41-2

PW21C01729P2

RUBBER

1шт.

43

YR21C01159P1

BOLT

Sems

2шт.

6

PW22C01151F1

DUCT

Assy

1шт.

6-1

PW22C01149P1

DUCT

1шт.

6-6

YT21C01037D2

TRIM PANEL

1шт.

6-7

PW22C01105D1

RUBBER

1шт.

6-8

PW22C01105D2

RUBBER

2шт.

6-9

PW22C01105D3

RUBBER

1шт.

6-10

PW22C01154P1

FOAM INSULATION

1шт.

6-11

PW22C01142P1

FOAM INSULATION

1шт.

6-12

PW22C01139P1

FOAM INSULATION

1шт.

6-13

PW22C01140P1

FOAM INSULATION

1шт.

6-14

PW22C01141P1

FOAM INSULATION

1шт.

15

PW21C01688P1

BRACKET

1шт.

16

PM21C01371P1

LOCK

1шт.

30

ZM22C08020

BOLT

Sems

2шт.

33

ZS18C06020

SCREW,Hex, M6 x 20mm

Cap

2шт.

34

ZW16H06000

WASHER

4шт.

35

ZN18C06005

NUT

2шт.

36

ZW26X06000

LOCK WASHER

2шт.

Выбрано товаров: 140