Запчасти Case CX36B (580-29[1]) - ARM ASSY, LONG 1.59M (5FT 3IN) Attachment

Схема запчастей Case CX36B - (580-29[1]) - ARM ASSY, LONG 1.59M (5FT 3IN) Attachment
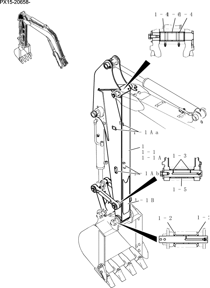
1-3
1-1a
1-6
1-5
1-1b
1-1aa
1-2
1
1-4
1-1ab
1-1
1-2
1-4
FIT
1:1
100%

Артикул

Название

Примечание

Количество

PX12B00131F1

Arm, Long

1шт.

1

PX12B00143F1

ARM

Arm, Long

1шт.

1-1

PX12B00133P1

Arm, Long

1шт.

1-1a

PX12B00075P4

ARM

Arm, Long

1шт.

1-1aa

PV12B01227P1

BLOCK

Tapped

2шт.

1-1ab

PX12B01185P1

BLOCK

Tapped

2шт.

1-1b

PW12B01277P1

PLATE

1шт.

1-2

PW12B01237P2

BUSHING,40mm ID x 82mm OD x 55mm L

2шт.

1-3

PW12B01209P2

BUSHING,45mm ID x 50mm OD x 31.5mm L

2шт.

1-4

PX12B01177P2

BUSHING,45mm ID x 55mm OD x 55mm L

2шт.

1-5

PW12B01208D1

COLLAR

1шт.

1-6

PX12B01016P1

COLLAR

1шт.

Выбрано товаров: 12