Запчасти Case CX36B (707-01[1]) - RADIATOR INSTAL (COOLER) (05) - SUPERSTRUCTURE

Схема запчастей Case CX36B - (707-01[1]) - RADIATOR INSTAL (COOLER) (05) - SUPERSTRUCTURE
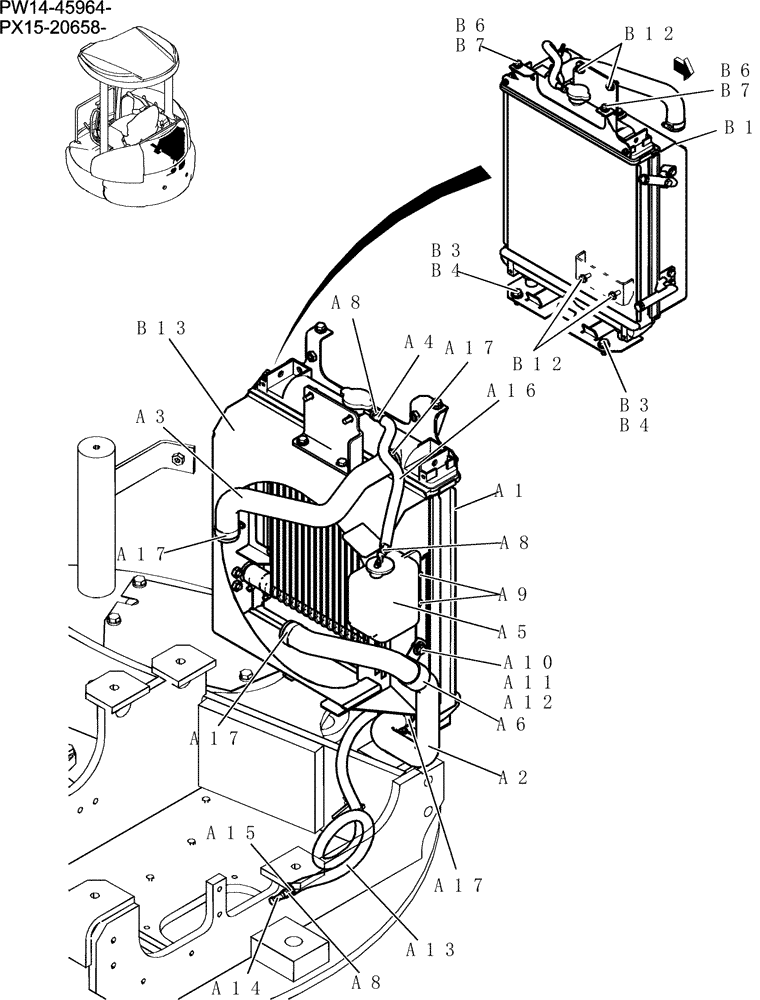
a8
a17
b4
b7
b12
a17
a6
b12
b3
a5
a2
a11
a9
a16
b13
a4
a1
a10
a13
b6
a8
a8
a17
b3
a12
b13
b6
a15
a17
a14
a3
b7
b4
FIT
1:1
100%

Артикул

Название

Примечание

Количество

PW05P00042F1

Radiator Group

1шт.

a1

PW05P00040F1

Radiator (See fig no.708-01-1)

1шт.

a2

PW05P01089P1

HOSE

Radiator

1шт.

a3

PW05P01088P1

HOSE

Hose, Radiator

1шт.

a4

NSS

NOT SOLD SEPARAT

Hose

1шт.

a5

PU01P01024F1

RESERVOIR

Tank Assy, Water, Sub

1шт.

a6

ZC46X38014

CLIP

Clamp

1шт.

a8

NSS

NOT SOLD SEPARAT

Clip

4шт.

a9

ZM61C06020

BOLT

Sems

2шт.

a10

ZS18C08016

SCREW,Hex, M8 x 16mm

Cap

1шт.

a11

ZW26X08000

LOCK WASHER

Lock

1шт.

a12

YR21C01161P1

WASHER,9mm ID x 22mm OD x 2.3mm Thk

1шт.

a13

PU13E01002D1

TUBE

1шт.

a14

PW05P01117P1

PLUG

1шт.

a15

NSS

NOT SOLD SEPARAT

Hose

1шт.

a16

PU13E01002D9

TUBE

1шт.

a17

ZC16X03300

FASTENER

Clip

4шт.

PW05P00048F1

Radiator Instal

1шт.

b3

ZS18C10025

SCREW,Hex, M10 x 25mm

2шт.

b4

ZW16H10000

WASHER

2шт.

b6

ZS18C08020

SCREW,Hex, M8 x 20mm

2шт.

b7

ZW16H08000

WASHER

2шт.

b12

ZM73C08020

BOLT,M8x20mm - Course Thread

Sems

4шт.

b13

PW05P01217F1

Shroud Assy, Radiator (See fig no.708-01-1)

1шт.

Выбрано товаров: 24