Запчасти Case CX36B (708-01[1]) - RADIATOR ASSY (COOLER) (05) - SUPERSTRUCTURE

Схема запчастей Case CX36B - (708-01[1]) - RADIATOR ASSY (COOLER) (05) - SUPERSTRUCTURE
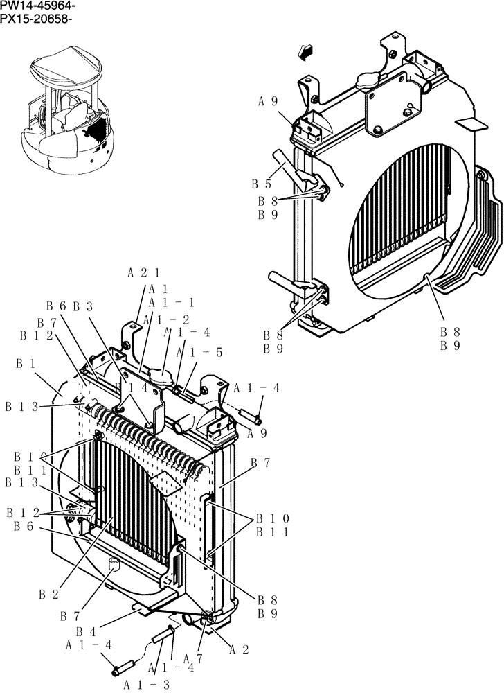
a1-2
b9
a9
b2
a1
b8
b4
a1-4
b3
b11
a1-4
b12
b10
b6
b8
b14
b8
a1-4
a7
a9
a1-4
b1
a1-1
b9
b9
b11
b5
b7
a1-5
b9
b13
b6
b7
b10
a2
a21
b13
b8
b12
a1-3
b7
FIT
1:1
100%

Артикул

Название

Примечание

Количество

PW05P00040F1

Radiator

1шт.

a1

PW05P00027F1

RADIATOR

Assy

1шт.

a1-1

PW05P00027S001

RADIATOR

1шт.

a1-2

PM05P00010S002

RADIATOR CAP

1шт.

a1-3

PW05P00027S003

HOSE

1шт.

a1-4

2452U267S8

CLIP

4шт.

a1-5

PH05P00012S005

HOSE

1шт.

a2

PW05P01090P1

BRACKET

1шт.

a7

PH05P01144P1

RUBBER

2шт.

a9

ZM61C06016

BOLT

Sems

6шт.

a21

PW05P01178P1

BRACKET, SUPPORTING

Bracket

1шт.

PW05P01217F1

Shroud, Radiator

1шт.

b1

PW05P01215P1

SHROUD

1шт.

b2

PW53V00012P1

OIL COOLER

1шт.

b3

PW05P01171P1

PLATE

Plate

1шт.

b4

PW05P01151P1

GUARD

Guard

1шт.

b5

PW05P01158P1

TUBE

Tube

2шт.

b6

PW05P01083P1

RUBBER

2шт.

b7

PW21C01697D3

RUBBER WEATHERSTRIP

Strip, Weather

2шт.

b8

ZS18C08016

SCREW,Hex, M8 x 16mm

Cap

6шт.

b9

ZW16P08000

WASHER

6шт.

b10

ZS28C08016

SCREW,Hex Socket Head, M8 x 16mm

Cap

4шт.

b11

ZW16K08000

WASHER,8mm ID x 15.5mm OD x 1.6mm Thk

4шт.

b12

ZC15X03000

CLIP

4шт.

b13

PW32H01026DA

HOSE

Hose

2шт.

b14

ZM73C08016

BOLT,M8x16mm - Course Thread

Sems

2шт.

Выбрано товаров: 26