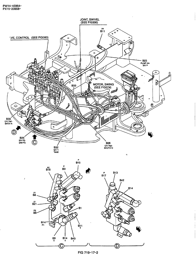
Запчасти Case CX36B (719-17-2) - CONTROL LINES, REMOTE (WITH A PUMP Z PORT) (05) - SUPERSTRUCTURE

Схема запчастей Case CX36B - (719-17-2) - CONTROL LINES, REMOTE (WITH A PUMP Z PORT) (05) - SUPERSTRUCTURE
b43
b8
b39
b33
b8
b11
b14
b1
b21
b14
b18
b9
b3
b32
b11
b14
b42
b26
b23
b26
b13
b17
FIT
1:1
100%

Артикул

Название

Примечание

Количество

PW64H00069F1

CONTROL LINES, VALVE (WITH A PUMP Z PORT)

1шт.

b1

PX35V00003F1

VALVE

Assembly, Solenoid (Used for Lever Lock, 2-speed Select)

1шт.

b2

PH26V00001F1

VALVE

ASSY, SHUTTLE

1шт.

b3

YN50V00020F1

HYDRAULIC OIL FILTER

FILTER ASSY, INLINE

1шт.

b4

PW64H01072P1

BRACKET

1шт.

b5

ZS18C08020

SCREW,Hex, M8 x 20mm

2шт.

b6

ZS18C06065

SCREW,Hex, M6 x 65mm

CAP

2шт.

b7

ZW16H08000

WASHER

2шт.

b8

HH35S04004G1

90 ELBOW

4шт.

b9

2444Z3155

90 ELBOW,PF 3/8" Fem x PF 3/8" Male

1шт.

b10

HH35S06006G1

90 ELBOW,90 Degree, 3/8" PF x 3/8" PF x 60mm L

1шт.

b11

HH25S06006G1

HYD CONNECTOR

1шт.

b13

ZE72X040000

PLUG

1шт.

b14

ZE72X060000

PLUG

3шт.

p16

HH55L04004G2

TEE

1шт.

b17

PW64H01011P1

TEE

1шт.

b18

PH64H01057P1

CONNECTION

1шт.

b20

HH25S04004G1

HYD CONNECTOR

1шт.

b21

2444Z2525

HYD CONNECTOR

1шт.

b23

HX25L06135DY

HOSE,9.5mm ID x 1350mm L

1шт.

b25

HX33L03040DX

HOSE,4.8mm ID x 400mm L

1шт.

b26

HX33L03110DX

HOSE,4.8mm ID x 1100mm L

2шт.

b27

HX33L03135DX

HOSE,4.8mm ID x 1350mm L

1шт.

b28

HX33L03145DX

HOSE,4.8mm ID x 1450mm L

1шт.

b30

HX23L03140DX

HOSE,4.8mm ID x 1400mm L

1шт.

b32

PW68H01023D9

HOSE,9.5mm ID x 620mm L

1шт.

b33

ZC16X01800

CLIP

1шт.

b34

ZS18C10030

SCREW,Hex, M10 x 30mm

CAP

2шт.

b35

ZW16H10000

WASHER

2шт.

b39

HX33L03120DX

HOSE,4.8mm ID x 1200mm L

1шт.

b40

HH45S04004G1

45 ELBOW

1шт.

b41

ZW16H06000

WASHER

2шт.

b42

2444Z3326

HYD CONNECTOR

CONNECTOR

1шт.

b43

HH55006006G1

TEE

1шт.

Выбрано товаров: 34