Запчасти Case CX36B (582-60[1]) - ARM ASSY, STD 1.32M (4FT 4IN) (ROTARY NIBBLER & BREAKER) Attachment

Схема запчастей Case CX36B - (582-60[1]) - ARM ASSY, STD 1.32M (4FT 4IN) (ROTARY NIBBLER & BREAKER) Attachment
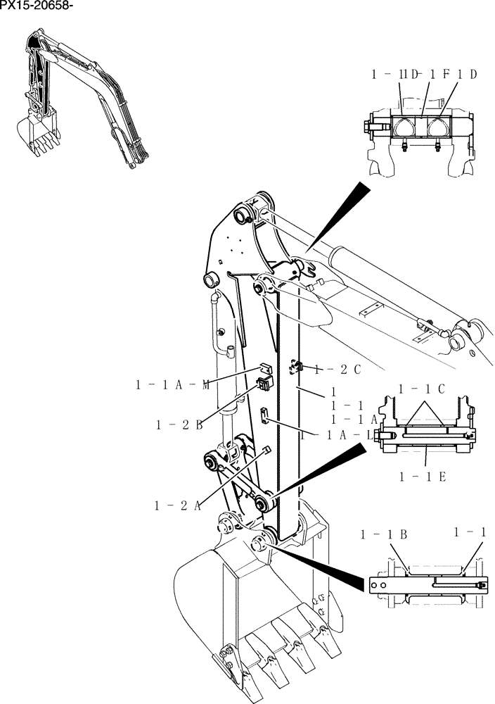
1-1f
1-1b
1-1a-m
1-1c
1-1
1-1d
1-1b
1-1d
1-2c
1-2a
1-1a-l
1-1e
1
1-2b
1-1a
FIT
1:1
100%

Артикул

Название

Примечание

Количество

PX12B00139F1

Arm

1шт.

1

PX12B00142F1

Arm

1шт.

1-1

PX12B00070F1

ARM ASSY.

1шт.

1-1a

PX12B00071P3

Arm

1шт.

1-1a-l

PV12B01227P1

BLOCK

Tapped

2шт.

1-1a-m

PX12B01185P1

BLOCK

Tapped

2шт.

1-1b

PW12B01237P2

BUSHING,40mm ID x 82mm OD x 55mm L

2шт.

1-1c

PW12B01209P2

BUSHING,45mm ID x 50mm OD x 31.5mm L

2шт.

1-1d

PX12B01177P2

BUSHING,45mm ID x 55mm OD x 55mm L

2шт.

1-1e

PW12B01208D1

COLLAR

1шт.

1-1f

PX12B01016P1

COLLAR

1шт.

1-2

PX12B00141P1

Arm

1шт.

1-2a

2416T12874

BLOCK

Block, Tapped

1шт.

1-2b

PR12B01139P1

Bracket

1шт.

1-2c

PR12B01140P1

Bracket

1шт.

Выбрано товаров: 15