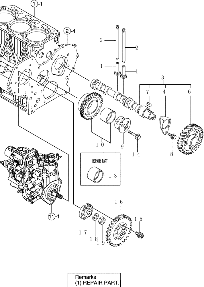
Запчасти Case CX36B (3TNV88-BPYB-14[1]) - CAMSHAFT & DRIVING GEAR (10) - ENGINE

Схема запчастей Case CX36B - (3TNV88-BPYB-14[1]) - CAMSHAFT & DRIVING GEAR (10) - ENGINE
16
2
19
1
3
17
6
2
7
8
9
15
4
18
13
1
10
14
FIT
1:1
100%

Артикул

Название

Примечание

Количество

1

VV12915014200

TAPPET

6шт.

2

VV12915014400

PUSH ROD

6шт.

3

VV12912914580

CAMSHAFT

Assy

1шт.

4

VV12915002450

METAL LINER

cam

1шт.

6

VV12915014101

GEAR SET

Camshaft

1шт.

7

VV22512070140

KEY,M7 x 14mm

7x14

1шт.

8

VV26106080142

BOLT,M8 x 14mm

M8x14 Plated

2шт.

9

VV11980325050

SHAFT

Shaft, Idle Gear

1шт.

10

VV11980225101

GEAR

Gear Assy, Idle

1шт.

13

VV11980225071

BUSHING

Bush, Idle Gear

1шт.

14

VV26106080402

BOLT,M8 x 40mm

M8x40 Plated

3шт.

15

VV12915025301

BOLT

Stud, Cyl. Head

4шт.

16

VV11980225901

GEAR

Pump

1шт.

17

VV15855251151

FLANGE

1шт.

18

VV22217140000

SPRING WASHER

14

1шт.

19

VV26776140002

LOCK NUT,M14

M14 Plated

1шт.

Выбрано товаров: 16