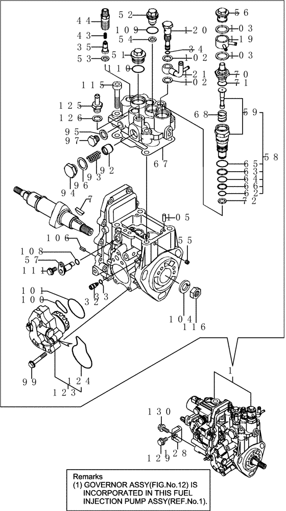
Запчасти Case CX36B (3TNV88-BPYB-22[1]) - FUEL INJECTION PUMP (10) - ENGINE

Схема запчастей Case CX36B - (3TNV88-BPYB-22[1]) - FUEL INJECTION PUMP (10) - ENGINE
111
92
128
64
58
71
52
96
99
116
103
123
102
125
33
115
32
130
44
62
109
66
101
93
54
34
68
104
43
1
126
110
51
106
67
59
57
53
70
124
55
119
35
121
63
56
105
95
7
72
129
120
102
103
100
94
65
97
108
FIT
1:1
100%

Артикул

Название

Примечание

Количество

1

VV72923651320

PUMP

Injection Assy

1шт.

7

VV11980251090

WOODRUFF KEY,M4 x 16mm

4x16

1шт.

32

VV15860051270

STOP

Stopper

1шт.

33

VV15856351281

O-RING

1шт.

34

VV15856351281

O-RING

1шт.

35

VV12900851300

VALVE

Valve Assy, Dslevery

3шт.

43

VV15856351330

SPRING

3шт.

44

VV12900851340

HOLDER

Holder, Delivery

3шт.

51

VV15860151550

PLUG

1шт.

52

VV11980251560

PLUG

Barrel

1шт.

53

VV15855251570

SEAL

Pk (barrel Plug)

3шт.

54

VV15855251570

SEAL

Pk (barrel Plug)

1шт.

55

VV15855751570

PLUG

1шт.

56

VV15860151570

PLUG

Water Pump

1шт.

57

VV15855251580

LEVER & PIN ASSY

Lifter

1шт.

58

VV11980251590

TIMER

Set

1шт.

59

VV11980251600

TIMER

Cmp

1шт.

62

VV15855351670

O-RING

1011

1шт.

63

VV11980251680

BACK-UP RING

1шт.

64

VV11980251690

O-RING

1шт.

65

VV24356010200

O-RING

Packing, 1020

1шт.

66

VV24372000150

BACK-UP RING

T2 P 15

1шт.

67

VV15855251600

SEAL

Packing, Head

1шт.

68

VV15855351630

SPRING

Timer

1шт.

70

VV15855351640

ELEMENT

Thermo

1шт.

71

VV15855351660

O-RING

14

1шт.

72

VV15855351680

SEAL

Packing, Timer

1шт.

92

VV15860151770

PISTON

1шт.

93

VV15855251781

SPRING

Damper

1шт.

94

VV15860151790

PLUG

1шт.

95

VV22190120002

SEAL

Washer 12

1шт.

96

VV22190180002

SEAL

Washer 18

1шт.

97

VV23887120002

PLUG

M12, Hex.

1шт.

99

VV15855351770

SCREW

Bolt

4шт.

100

VV15855252310

O-RING

1шт.

101

VV15855252400

O-RING

4e S42

1шт.

102

VV22190120002

SEAL

Washer 12

2шт.

103

VV22190180002

SEAL

Washer 18

2шт.

104

VV22217140000

SPRING WASHER

14

1шт.

105

VV22312050140

PARALLEL PIN,M5 x 14mm

5x14

2шт.

106

VV22351050010

SPRING,5 x 10mm

Pin 5x10

2шт.

108

VV24311000070

O-RING

1шт.

109

VV24356010180

O-RING

1шт.

110

VV24356010200

O-RING

Packing, 1020

1шт.

111

VV26106060102

BOLT,M6 x 10mm

6x10 Plated

1шт.

115

VV26450080452

SCREW,M8 x 45mm

Bolt M8x45

4шт.

116

VV26776140002

LOCK NUT,M14

M14 Plated

1шт.

119

VV15855351551

BANJO FITTING

Joint, Cooling Water

1шт.

120

VV15860151650

BANJO FITTING

Joint

1шт.

121

VV15855251670

BANJO FITTING

Joint

1шт.

123

VV15855252100

FUEL PUMP

Assy, Feed

1шт.

124

VV15855252500

O-RING

O-ring (feed P Inner)

1шт.

Выбрано товаров: 52