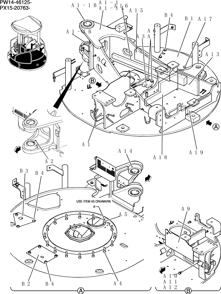
Запчасти Case CX36B (010-72[1]) - FRAME ASSEMBLY, UPPER ANGLE DOZER (05) - SUPERSTRUCTURE

Схема запчастей Case CX36B - (010-72[1]) - FRAME ASSEMBLY, UPPER ANGLE DOZER (05) - SUPERSTRUCTURE
a5
b4
a1-1
a1-1b
a4
b2
a11
a1-1b
a1
a18
a12
a15
a2
a1-1a
a7
a13
a16
b3
a10
b1
a6
a9
b4
a19
a17
b4
a14
a3
FIT
1:1
100%

Артикул

Название

Примечание

Количество

PW52F00057F1

Frame Group, Upp

1шт.

a1

PW52F00055P1

FRAME

Frame, Upp

1шт.

a1-1

PW52F01354F1

BRACKET

Bracket Assy

1шт.

a1-1a

PW52F01355P1

Bracket

1шт.

a1-1b

PW52F01230P1

BUSHING,65mm ID x 80mm OD x 65mm L

2шт.

a2

ZG91U02000

LUBE NIPPLE

Grease

1шт.

a3

PW52F01348P1

STOP

per

1шт.

a4

ZS18C12070

SCREW,Hex, M12 x 70mm

Cap

15шт.

a5

HS58C12070G2

BOLT

Cap

1шт.

a6

ZS18C12035

SCREW,Hex, M12 x 35mm

Cap

2шт.

a7

ZW16H12000

WASHER

2шт.

a9

PW52F01330P1

PLATE

1шт.

a10

ZW26X10000

LOCK WASHER

2шт.

a11

ZW16P10000

WASHER

2шт.

a12

ZS18C10025

SCREW,Hex, M10 x 25mm

2шт.

a13

PW52F01309P1

FOAM INSULATION

1шт.

a14

ZG91S02000

LUBE NIPPLE,1/8" NPT x 1/8" NPT

Grease

1шт.

a15

PW52F01416P1

FOAM INSULATION

1шт.

a16

PW52F01417P1

FOAM INSULATION

1шт.

a17

PW52F01418P1

FOAM INSULATION

1шт.

a18

PW52F01420P1

FOAM INSULATION

1шт.

a19

PW52F01421P1

FOAM INSULATION

1шт.

PW24C00005F1

Cover Assy, Under

1шт.

b1

PW24C01039P1

COVER

Cover

1шт.

b2

PW24C01042P1

COVER

Cover

1шт.

b3

PW24C01041P1

COVER

Cover

1шт.

b4

ZM73C10020

BOLT,M10x20mm - Course Thread

Sems

11шт.

Выбрано товаров: 27