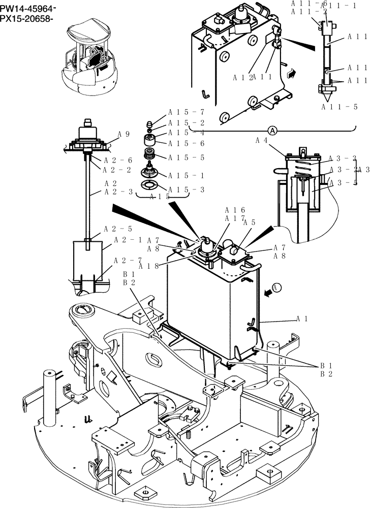
Запчасти Case CX36B (063-60[1]) - TANK ASSEMBLY, HYDRAULIC (NIBBLER & BREAKER) (05) - SUPERSTRUCTURE

Схема запчастей Case CX36B - (063-60[1]) - TANK ASSEMBLY, HYDRAULIC (NIBBLER & BREAKER) (05) - SUPERSTRUCTURE
a3-3
a12
b1
a7
a11-4
a15-1
a2-7
b2
a2-1
a3-2
a15
a8
a4
a1
a2-5
a15-5
a2
a11-5
a15-7
a11-1
a11-7
a15-4
a9
a15-2
a15-6
a7
a
b1
a11-2
a15-3
a3
a11-8
a2-3
a11-6
a2-6
a18
a17
b2
a8
a3-5
a2-2
a11
a16
a5
FIT
1:1
100%

Артикул

Название

Примечание

Количество

PW33H00050F1

Tank Assy, Hyd

1шт.

a1

PW33H00043P2

TANK

1шт.

a2

PW50V00015F1

STRAINER ASSY.

Suction

1шт.

a2-1

PM50V00017S001

FILTER STRAINER

1шт.

a2-2

2446R176S2

HOLDER

Guide

1шт.

a2-3

PM50V00017S006

BOLT

Bolt

1шт.

a2-5

ZN11C10008

NUT

2шт.

a2-6

2446R176S5

SPRING

Spring

1шт.

a2-7

NSS

NOT SOLD SEPARAT

O-ring

1шт.

a3

PW52V01001F2

HYDRAULIC OIL FILTER

Assy, Return

1шт.

a3-2

PW21V00004P1

VALVE

Check

1шт.

a3-3

YR52V01001S004

SPRING

1шт.

a3-5

YR52V01003P1

FILTER

Return

1шт.

a4

ZD11G11000

O-RING,109.40mm ID x 115.60mm OD x 3.10mm

1шт.

a5

PM33H01083P2

COVER

Cover

1шт.

a7

ZW26X08000

LOCK WASHER

Lock

8шт.

a8

ZS18C08016

SCREW,Hex, M8 x 16mm

Cap

8шт.

a9

ZD11G11500

O-RING,114.40mm ID x 120.60mm OD x 3.10mm

1шт.

a11

YN58S00009F3

GAUGE ASSY.

Level

1шт.

a11-1

NSS

NOT SOLD SEPARAT

Block

2шт.

a11-2

NSS

NOT SOLD SEPARAT

Capscrew

2шт.

a11-4

NSS

NOT SOLD SEPARAT

O-ring

4шт.

a11-5

NSS

NOT SOLD SEPARAT

O-ring

4шт.

a11-6

NSS

NOT SOLD SEPARAT

Washer

2шт.

a11-7

NSS

NOT SOLD SEPARAT

Ball

1шт.

a11-8

NSS

NOT SOLD SEPARAT

Gauge

1шт.

a12

YF33H01020P1

LABEL

1шт.

a15

YN57V00002F4

BREATHER ASSY.

1шт.

a15-1

2446U260S1

BODY

Assy

1шт.

a15-2

2446U260S5

NUT

1шт.

a15-3

2446U260S8

PACKING

1шт.

a15-4

YN57V00002S007

IDENTITY PLATE

Caution

1шт.

a15-5

YN57V00002S010

ELEMENT

1шт.

a15-6

YN57V00002S011

COVER

1шт.

a15-7

YN57V00002S012

CAP

1шт.

a16

ZS28C06016

SCREW,Hex Socket Head, M6 x 16mm

Cap

4шт.

a17

ZW26K06000

LOCK WASHER

4шт.

a18

PW33H01144P1

COVER

1шт.

b1

ZS18C12030

SCREW,Hex, M12 x 30mm

Cap

4шт.

b2

ZW16H12000

WASHER

4шт.

kit

PW50V00012R200

HYDRAULIC OIL FILTER

Element Kit Consists Of Item (A3-5)x1, (A4)x1

1шт.

PW33H00039F1

Tank Instal, Hyd

1шт.

Выбрано товаров: 42