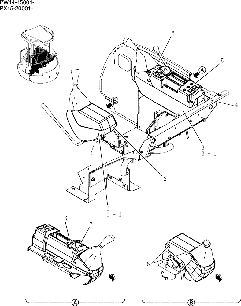
Запчасти Case CX36B (122-16[1]) - COVER ASSEMBLY (05) - SUPERSTRUCTURE

Схема запчастей Case CX36B - (122-16[1]) - COVER ASSEMBLY (05) - SUPERSTRUCTURE
1
6
3-1
1-1
6
5
7
3
6
4
2
FIT
1:1
100%

Артикул

Название

Примечание

Количество

PW03M01702F1

COVER ASSY

1шт.

1

PW03M01683F1

COVER ASSY

1шт.

1-1

PW03M01665P1

COVER

1шт.

2

PW03M01708P1

COVER

1шт.

3

PW03M01684F1

COVER ASSY

1шт.

3-1

PW03M01671P1

COVER

1шт.

4

PW03M01674P1

COVER

1шт.

5

PW03M01709P1

COVER

1шт.

6

PW03M01680P1

CAP

4шт.

7

PW03M01690P1

CAP

1шт.

Выбрано товаров: 0