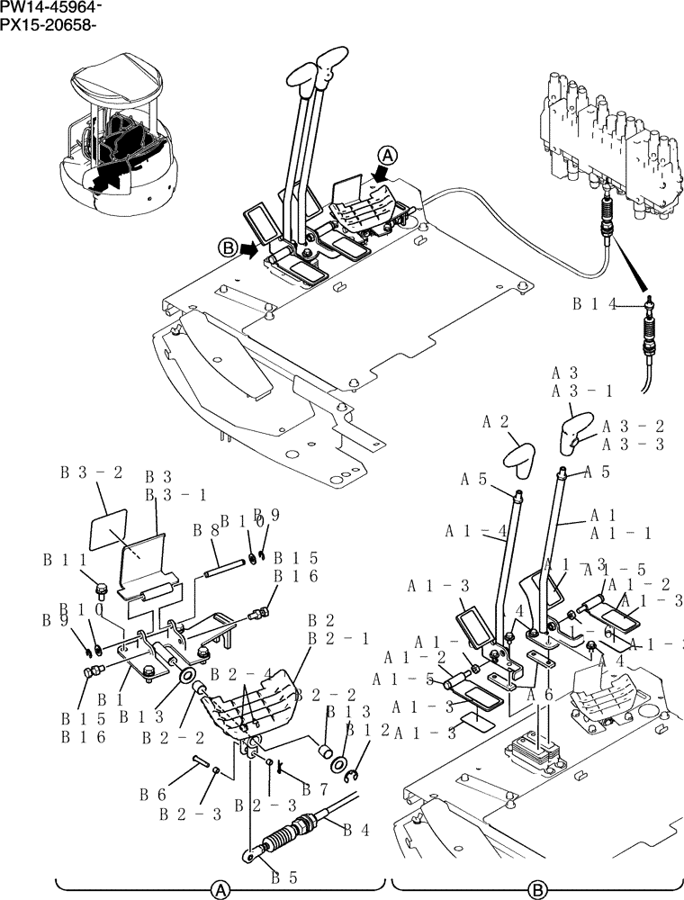
Запчасти Case CX36B (139-17[1]) - LEVER ASSEMBLY, CONTROL (05) - SUPERSTRUCTURE

Схема запчастей Case CX36B - (139-17[1]) - LEVER ASSEMBLY, CONTROL (05) - SUPERSTRUCTURE
a2
b11
a1-6
b2-4
a1-3
b7
a1-3
a4
a1-2
b2-3
a5
b2-2
1-6
a1-3
b13
a1-4
b15
b13
b16
b3-1
b3-2
b2-1
a1-5
a4
b12
b8
a5
b1
b10
a1-3
a3-3
b16
a6
b4
a1-3
a1
b9
b6
b14
a3
b5
a3-2
b10
b9
a1-3
a3-1
b3
a1-5
b2-2
b2
b2-3
a1-2
a1-1
b15
FIT
1:1
100%

Артикул

Название

Примечание

Количество

PH50M00011F1

Lever Assy, Control

1шт.

a1

PH50M01107F1

LEVER

Lever Assy

1шт.

a1-1

PH50M01108P1

LEVER

1шт.

a1-2

PH55M01003P1

PEDAL

2шт.

a1-3

PF55M01006P1

SEAT

6шт.

a1-4

PH50M01111P1

LEVER

1шт.

a1-5

HS18C10070G1

CAP

Cap

2шт.

a1-6

ZN18C10008

NUT

2шт.

a2

YN03M01040P1

GRIP

1шт.

a3

YN03M01286F1

GRIP

Assy

1шт.

a3-1

YN03M01286S001

GRIP

1шт.

a3-2

YN03M01286S002

SWITCH

(Used for 2-speed Select)

1шт.

a3-3

YN03M01286S003

CAP

1шт.

a4

PA21C01133P1

BOLT

Sems

4шт.

a5

2420Z1232

NUT

2шт.

a6

PW03M01889P2

COVER

2шт.

PW55M00015F1

Pedal Instal

1шт.

b1

PW03M01619P2

SUPPORT

1шт.

b2

PW55M01062F1

PEDAL

Assy

1шт.

b2-1

PW55M01061P1

PEDAL

1шт.

b2-2

2405R312D1415

BUSHING

2шт.

b2-3

2405R312D0606

BUSHING

2шт.

b2-4

PW55M01060P1

PLATE

2шт.

b3

PM03M01277F1

COVER ASSY

Assy

1шт.

b3-1

PM03M01294P2

COVER

1шт.

b3-2

PM03M01309P1

SHEET

1шт.

b4

PM03M01448D7

CABLE,1200mm L

Control

1шт.

b5

PW55M01031P1

BALL JOINT

Rod End

1шт.

b6

PW55M01059P1

PIN

1шт.

b7

2419R9D1

COTTER PIN

Pin, Snap

1шт.

b8

PW03M01805P1

PIN

1шт.

b9

ZR36X00700

RING

Retaining

2шт.

b10

ZW16P08000

WASHER

2шт.

b11

ZM22C08020

BOLT

Sems

4шт.

b12

ZR36X01200

RING

Retaining

1шт.

b13

ZW16P14000

WASHER

2шт.

b14

2420R736D2

END

Rod End

1шт.

b15

ZS18C08025

SCREW,Hex, M8 x 25mm

Cap

2шт.

b16

ZN18C08007

NUT

2шт.

Выбрано товаров: 39