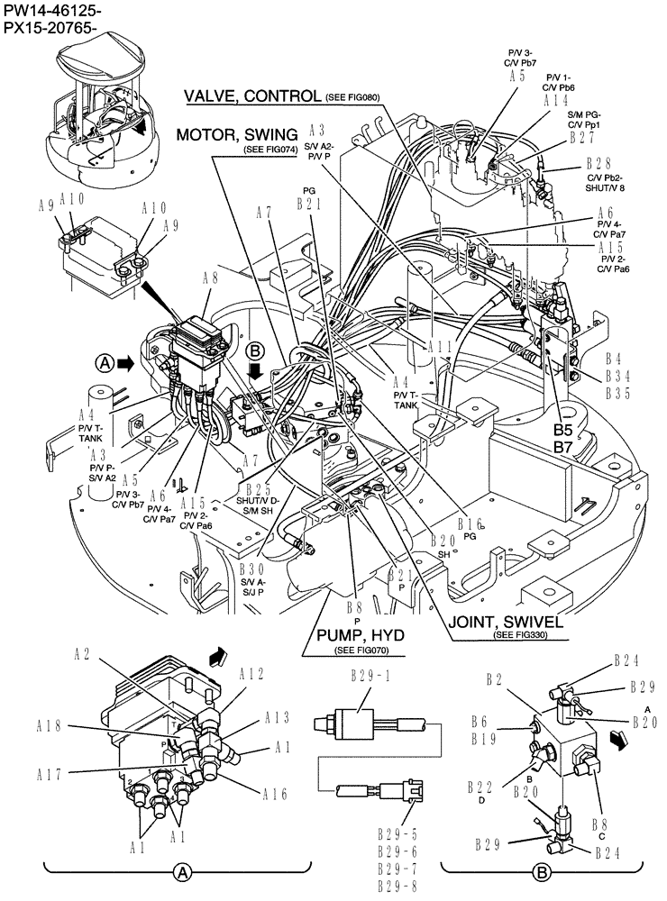
Запчасти Case CX36B (161-72[1]) - CONTROL LINES, REMOTE (ANGLE DOZER) (05) - SUPERSTRUCTURE

Схема запчастей Case CX36B - (161-72[1]) - CONTROL LINES, REMOTE (ANGLE DOZER) (05) - SUPERSTRUCTURE
b29-7
a5
a12
a1
a8
b24
a10
b29-1
a4
b16
a17
a15
b21
b29-8
b20
b4
b8
a11
b24
a1
b30
b22
a3
b6
a6
b29-6
b19
a7
b29
b34
a9
a14
a2
a1
a9
a16
b8
a7
b21
a15
b25
a10
b20
b20
a13
b29-5
b27
b35
b2
a4
a6
b29
a5
b28
a3
a18
FIT
1:1
100%

Артикул

Название

Примечание

Количество

PW62H00029F1

Control Lines, Propel

1шт.

a1

HH25S04004G1

HYD CONNECTOR

5шт.

a2

2444Z2525

HYD CONNECTOR

1шт.

a3

HX24L04145DX

HOSE,6.3mm ID x 1450mm L

1шт.

a4

PW68H01023DA

HOSE,9.5mm ID x 800mm L

1шт.

a5

HX33L03150DX

HOSE

1шт.

a6

HX33L03125DX

HOSE,4.8mm ID x 1250mm L

1шт.

a7

PW62H01001P1

GROMMET

2шт.

a8

PM30V00019F6

PILOT VALVE

1шт.

See(C.P.M)

1шт.

a9

ZS18C08025

SCREW,Hex, M8 x 25mm

Cap

4шт.

a10

PW62H01003P1

PLATE

2шт.

a11

ZC16X01800

CLIP

1шт.

a12

2444Z2894

90 ELBOW

1шт.

a13

HH55Q04004G1

TEE,1/4" ORB x 1/4" JIC x 1/4" JIC

1шт.

a14

HX23L03160DX

HOSE

Hose

1шт.

a15

HX33L03135DX

HOSE,4.8mm ID x 1350mm L

1шт.

a16

HH25S06004G3

HYD CONNECTOR

1шт.

a17

HH55L04004G1

TEE

1шт.

a18

PH62H01003P1

ELBOW

1шт.

PW64H00090F1

Control Lines, Valve

1шт.

b2

PH26V00001F1

VALVE

Assy, Shuttle

1шт.

See(C.P.M)

1шт.

b4

PW64H01072P1

BRACKET

1шт.

b5

ZS18C08020

SCREW,Hex, M8 x 20mm

2шт.

b6

ZS18C06065

SCREW,Hex, M6 x 65mm

Cap

2шт.

b7

ZW16H08000

WASHER

2шт.

b8

HH35S04004G1

90 ELBOW

2шт.

b16

HH55L04004G2

TEE

1шт.

b19

ZW16H06000

WASHER

2шт.

b20

HH25S04004G1

HYD CONNECTOR

3шт.

b21

2444Z2525

HYD CONNECTOR

2шт.

b22

HH45S04004G1

45 ELBOW

1шт.

b24

2444Z33061

Elbow

2шт.

b27

HX33L03135DX

HOSE,4.8mm ID x 1350mm L

1шт.

b28

HX33L03145DX

HOSE,4.8mm ID x 1450mm L

1шт.

b29

GB50S00049F2

SWITCH

Pressure

2шт.

b29-1

GB50S00049S001

Pressure

1шт.

b29-5

EN52S01001D2

HYD CONNECTOR

Connector

1шт.

b29-6

EN52S01005D2

HYD CONNECTOR

Holder

1шт.

b29-7

EN52S01003D1

SEAL

Seal

2шт.

b29-8

EN01E01001D2

TERMINAL

Terminal

2шт.

b34

ZS18C10030

SCREW,Hex, M10 x 30mm

Cap

2шт.

b35

ZW16H10000

WASHER

2шт.

b1

PX35V00003F1

VALVE

Assembly, Solenoid (Used for Lever Lock, 2-speed Select)

1шт.

See(C.P.M)

1шт.

b3

YN50V00020F1

HYDRAULIC OIL FILTER

Filter Assy, Inline

1шт.

b8

HH35S04004G1

90 ELBOW

2шт.

b9

YT42H01128P1

90 ELBOW

1шт.

b10

HH35S06006G1

90 ELBOW,90 Degree, 3/8" PF x 3/8" PF x 60mm L

1шт.

b11

HH25S06006G1

HYD CONNECTOR

2шт.

b12

HH55Q06006G1

TEE

1шт.

b13

ZE72X04000

PLUG

1шт.

b14

ZE72X06000

PLUG

3шт.

b15

2444Z3326

HYD CONNECTOR

Connector

1шт.

b17

PW64H01011P1

TEE

1шт.

b18

PH64H01057P1

CONNECTION

1шт.

b21

2444Z2525

HYD CONNECTOR

1шт.

b23

HX25L06135DY

HOSE,9.5mm ID x 1350mm L

1шт.

b25

HX33L03040DX

HOSE,4.8mm ID x 400mm L

1шт.

b26

HX33L03110DX

HOSE,4.8mm ID x 1100mm L

2шт.

b30

HX23L03140DX

HOSE,4.8mm ID x 1400mm L

1шт.

b31

HX33L03120DX

HOSE,4.8mm ID x 1200mm L

1шт.

b32

PW68H01023D9

HOSE,9.5mm ID x 620mm L

1шт.

b33

ZC16X01800

CLIP

1шт.

Выбрано товаров: 65