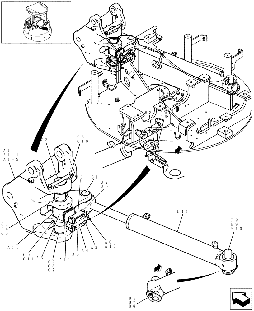
Запчасти Case CX36B (013-60[1-01]) - BRACKET ASSY, SWING (NIBBLER & BREAKER) (39) - FRAMES AND BALLASTING

Схема запчастей Case CX36B - (013-60[1-01]) - BRACKET ASSY, SWING (NIBBLER & BREAKER) (39) - FRAMES AND BALLASTING
b5
b1
b9
a1-2
a5
a1-1
c6
b11
b8
b4
a6
c7
c11
b6
c4
a1
b2
a3
a11
c9
b7
b3
c1
c3
a2
c5
c10
a7
a8
a9
b10
c8
a11
a4
a10
c2
FIT
1:1
100%

Артикул

Название

Примечание

Количество

a1

PX02B00108F1%C

BRACKET

Incl. A1-1, A1-2

1шт.

a1-1

NSS

NOT SOLD SEPARAT

Bracket, Swing

1шт.

a1-2

PX02B01147P1

BUSHING,65mm ID x 75mm OD x 44mm L

1шт.

a2

PX02B01218P1

BRACKET

1шт.

a3

PX02B01219P1

CLAMP

2шт.

a4

PX02B01132P1

RUBBER

1шт.

a5

PX02B01133P1

RUBBER

1шт.

a6

PW02B01209P1

GROMMET

1шт.

a7

ZS18C10045

SCREW,Hex, M10 x 45mm

4шт.

a8

ZS28C10060

SCREW,Hex Socket Head, M10 x 60mm

2шт.

a9

ZW26X10000

LOCK WASHER

4шт.

a10

ZW26K10000

LOCK WASHER

2шт.

a11

PY01P01043D8

CABLE TIE,102mm L

2шт.

b1

PX02B01241P1

PIN,48mm OD x 143mm L

1шт.

b2

PW02B01252P1

PIN

1шт.

b3

PM02B01220P1%C

PLATE

1шт.

b4

ZS18C10020

SCREW,Hex, M10 x 20mm

2шт.

b5

ZS18C12030

SCREW,Hex, M12 x 30mm

1шт.

b6

ZW26X10000

LOCK WASHER

2шт.

b7

ZW26X12000

LOCK WASHER

1шт.

b8

2418T12345

WASHER

1шт.

b9

YJ12B01097P1

SHIM,47mm ID x 70mm OD x 0.5mm Thk

2шт.

b10

PR02B01121D1

SHIM,47mm ID x 70mm OD x 0.9mm Thk

4шт.

b11

PX01V00042F1%C

CYLINDER

See Figure HC770-01

1шт.

c1

PX02B01239P1

PIN,65mm OD x 163mm L

1шт.

c2

PX02B01240P1

PIN,65mm OD x 146mm L

1шт.

c3

PX02B01183P1%C

PLATE

1шт.

c4

PW02B01225P1

WASHER

1шт.

c5

PW02B01226P1

WASHER

1шт.

c6

2445R138D4

SEAL,65mm ID x 80mm OD x 4mm Thk

2шт.

c7

PW02B01224P1

SHIM,0.5mm Thk

1шт.

c8

ZS18C10025

SCREW,Hex, M10 x 25mm

2шт.

c9

HS18C12190G1

BOLT

1шт.

c10

ZW26X10000

LOCK WASHER

2шт.

c11

ZN18C12010

NUT

2шт.

Выбрано товаров: 35