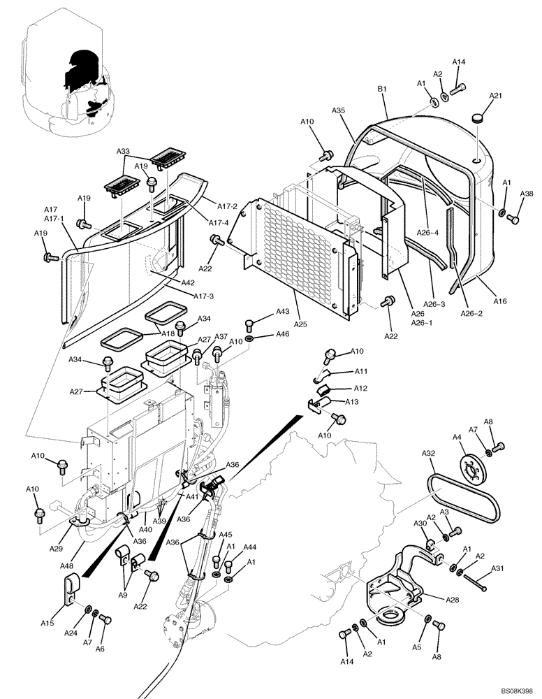
Запчасти Case CX36B (05-026[00]) - COOLER ASSY (PW20M00028F1, PW20M00025F1) (50) - CAB CLIMATE CONTROL

Схема запчастей Case CX36B - (05-026[00]) - COOLER ASSY (PW20M00028F1, PW20M00025F1) (50) - CAB CLIMATE CONTROL
a24
a10
a17-1
a14
a4
a17-2
a26-1
a2
a14
a1
a7
a3
a34
a27
a42
a18
a22
a11
a36
a44
a22
a19
a36
a29
a1
b1
a13
a10
a9
a26
a1
a16
a32
a39
a17-3
a5
a12
a25
a2
a38
a48
a34
a40
a1
a22
a46
a10
a30
a43
a7
a2
a36
a27
a10
a8
a21
a15
a1
a41
a26-3
a19
a45
a26-4
a8
a1
a35
a6
a31
a2
a17
a26-2
a37
a10
a19
a10
a36
a17-4
a33
a28
FIT
1:1
100%

Артикул

Название

Примечание

Количество

COOLER ASSY, PW20M00028F1

1шт.

a1

ZW16P08000

WASHER

ID 08 x OD 17 x Th 1.6mm

11шт.

a2

ZW26X08000

LOCK WASHER

Lock

5шт.

a3

ZS18C08050

SCREW,Hex, M8 x 50mm

Cap

1шт.

a4

PH20M01035P2

PULLEY

1шт.

a5

ZW16H10000

WASHER

2шт.

a6

ZS18C10025

SCREW,Hex, M10 x 25mm

1шт.

a7

ZW26X10000

LOCK WASHER

4шт.

a8

ZS18C10030

SCREW,Hex, M10 x 30mm

Cap

7шт.

a9

ZC45X14011

CLIP

CLIP

2шт.

a10

ZM22C08020

BOLT

Sems

12шт.

a11

PW20M01210P1

PLATE

PLATE

1шт.

a12

PW20M01214P1

GASKET

RUBBER

1шт.

a13

PW20M01213P1

PLATE

PLATE

1шт.

a14

ZS18C08100

SCREW,Hex, M8 x 100mm

3шт.

a15

ZC48X24014

CLIP

1шт.

a16

YY22P01010D4

SOFT TRIM

1шт.

a17

PW20M01232F1

COVER ASSY

COVER, Assy

1шт.

a17-1

PW20M01226P2

COVER

1шт.

a17-2

YY22P01010D6

TRIM PANEL

1шт.

a17-3

YY22P01010D7

TRIM PANEL

1шт.

a17-4

PW20M01233P1

STRIP

2шт.

a18

PM22C01013DJ

WEATHERSTRIP

2шт.

a19

PA03M01093D2

BOLT

Sems

2шт.

a21

PE03H01005P1

GROMMET

GROMMET

1шт.

a22

ZM22C10025

BOLT

Sems

4шт.

a24

ZW16P10000

WASHER

1шт.

a25

PW20M01190P3

BRACKET

1шт.

a26

PH20M01129F1

COVER ASSY

COVER, Assy

1шт.

a26-1

PH20M01127P1

COVER

1шт.

a26-2

PM02C01035D5

WEATHERSTRIP

1шт.

a26-3

PM02C01035D7

WEATHERSTRIP

1шт.

a26-4

PM02C01035D8

WEATHERSTRIP

1шт.

a27

PW20M01209P1

DUCT

2шт.

a28

PW20M01219P1

BRACKET

BRACKET

1шт.

a29

PW20M01149P1

GROMMET

GROMMET

1шт.

a30

PW20M01088P1

PLATE

PLATE

1шт.

a31

PW20M01155P1

SCREW

SCREW, Cap

1шт.

a32

PW20M01097D1

V-BELT

V

1шт.

a33

YN20M01356P1

DIFFUSER

2шт.

a34

ZM22C08016

BOLT

Sems

4шт.

a35

YY22P01010D5

SOFT TRIM

1шт.

a36

PY01P01043D6

CABLE TIE,4.80mm W x 383mm L

5шт.

a37

ZM61C06020

BOLT

Sems

2шт.

a38

PM03M01471D2

CAPSCREW,BHD, M8

Cap

5шт.

a39

ZC16X01400

CLIP

5шт.

a40

PU13E01010D3

RIGID TUBE

1шт.

a41

PU13E01010DR

PIPE

1шт.

a42

PH20T01101P1

LABEL

1шт.

a43

ZS18C06025

SCREW,Hex, M6 x 25mm

Cap

2шт.

a44

ZS18C08025

SCREW,Hex, M8 x 25mm

Cap

1шт.

a45

ZS18C08035

SCREW,Hex, M8 x 35mm

Cap

1шт.

a46

ZW16P06000

WASHER

2шт.

a48

YN20M01046DA

PROTECTIVE SLEEVE

TUBE

1шт.

CONDITIONER INSTAL, PW20M00025F1

1шт.

b1

PW20M01222P1

COVER

COVER

1шт.

Выбрано товаров: 56