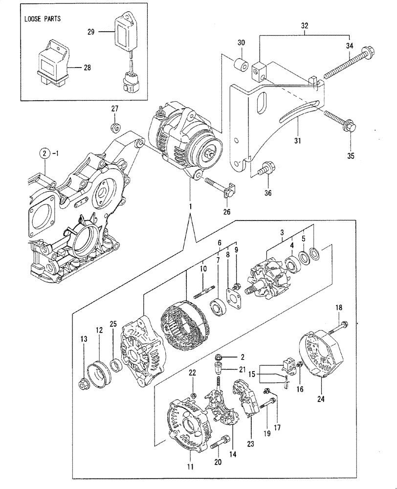
Запчасти Case CX36B (ENGINE-15[1]) - CURRENT GENERATOR (55) - ELECTRICAL SYSTEMS

Схема запчастей Case CX36B - (ENGINE-15[1]) - CURRENT GENERATOR (55) - ELECTRICAL SYSTEMS
36
32
34
23
24
8
14
15
26
12
3
16
5
10
18
17
13
30
7
4
6
20
31
9
21
35
19
2
27
25
28
11
29
22
FIT
1:1
100%

Артикул

Название

Примечание

Количество

1

VV11962677210

ALTERNATOR,12V, 55 Amp

1шт.

2

VVX9490561001

NUT

1шт.

3

VV12905277380

ROTOR

1шт.

4

VV12530179240

BALL BEARING

1шт.

5

VV11962079250

COVER ASSY

1шт.

6

VV12905277422

KIT

1шт.

7

VV11962079200

BALL BEARING

1шт.

8

VV11962079210

PLATE

1шт.

9

VV11962079220

SCREW

4шт.

10

VV11962079230

BOLT

2шт.

11

VV12840177440

COVER

1шт.

12

NSS

NOT SOLD SEPARAT

Pulley

1шт.

13

NSS

NOT SOLD SEPARAT

Nut

1шт.

14

VV12905279260

HOLDER

1шт.

15

VV12905279270

HOLDER

1шт.

16

VV11962079290

SCREW

6шт.

17

VV11962079300

SCREW

1шт.

18

VV11962079310

BOLT

3шт.

19

VV11962079320

SCREW

2шт.

20

VV11962079330

BOLT

2шт.

21

VV11962079340

FOAM INSULATION

1шт.

22

VV11962079350

NUT

2шт.

23

VV11962677710

REGULATOR

1шт.

24

VV11962677450

COVER ASSY

1шт.

25

VV11962077490

COLLAR

1шт.

26

VV11974077250

BOLT

M10 x 76

1шт.

27

VV26306100002

NUT,M10

1шт.

28

VV11980277200

RELAY

1шт.

29

VV12921177920

TIMER

1шт.

30

VV12473277340

SPACER

1шт.

31

VV12924277310

ADJUSTER

1шт.

32

VV12961677350

BLOCK ASSY.

1шт.

34

VV26106081004

BOLT

M8 x 100

1шт.

35

VV26106080602

BOLT,M8 x 60mm

M8 x 60

1шт.

36

VV26106080162

BOLT,M8 x 16mm

M8 x 16

2шт.

Выбрано товаров: 35