Запчасти Case CX36B (220-01[1-02]) - OPERATOR‘S SEAT (90) - PLATFORM, CAB, BODYWORK AND DECALS

Схема запчастей Case CX36B - (220-01[1-02]) - OPERATOR‘S SEAT (90) - PLATFORM, CAB, BODYWORK AND DECALS
1-9
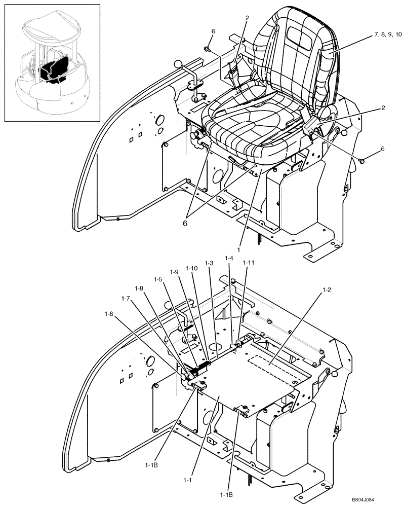
2
1-3
1
1-7
6
1-2
1-1b
1-5
1-11
1-1
8
7
9
6
1-4
2
1-8
1-6
10
6
1-10
1-1b
FIT
1:1
100%

Артикул

Название

Примечание

Количество

1

PW25M01037F1

COVER ASSY

Incl. 1-1 - 1-11

1шт.

1-1

PW25M01044P5

COVER

Incl. 1-1B

1шт.

1-1b

PW10M01060P2

HINGE

2шт.

1-2

PW25M01050P1

RUBBER

1шт.

1-3

PW25M01046P3

STOP

1шт.

1-4

PW25M01048D2

SPRING

1шт.

1-5

PW25M01047P1

SPRING

1шт.

1-6

PH03M01169P1

KNOB

1шт.

1-7

ZN18C08007

NUT

1шт.

1-8

ZW16X08000

WASHER,8mm ID x 17mm OD x 1.6mm Thk

1шт.

1-9

ZW16X14000

WASHER

1шт.

1-10

ZR36X01000

RING

1шт.

1-11

ZM66C04008

BOLT

2шт.

2

PW25M00015F1

SEAT BELT,48mm W x 1250mm L, Black

SAFETY BELT

1шт.

6

ZM27C10020

BOLT

4шт.

7

PW25M00014F1

SEAT

1шт.

8

ZW16X08000

WASHER,8mm ID x 17mm OD x 1.6mm Thk

4шт.

9

ZW26X08000

LOCK WASHER

4шт.

10

ZN18C08007

NUT

4шт.

Выбрано товаров: 19