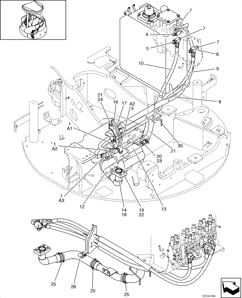
Запчасти Case CX36B (092-01[1-02]) - PUMP/CONTROL VALVE PIPING (35) - HYDRAULIC SYSTEMS

Схема запчастей Case CX36B - (092-01[1-02]) - PUMP/CONTROL VALVE PIPING (35) - HYDRAULIC SYSTEMS
13
16
21
a2
1
14
12
19
30
26
5
4
25
1
7
23
a1
24
17
8
a3
9
22
1
3
6
a2
20
7
7
11
10
18
25
25
FIT
1:1
100%

Артикул

Название

Примечание

Количество

1

HH35S08008G1

90 ELBOW

3шт.

3

2444Z3715

90 ELBOW

1шт.

4

PW30H01058P1

TEE

1шт.

5

PA32H01017P1

TEE

1шт.

6

PW30H01012P1

TEE

1шт.

7

ZE72X04000

PLUG

3шт.

8

PW30H01078P1

HOSE,12.7mm ID x 1600mm L

1шт.

9

PW30H01079P1

HOSE,12.7mm ID x 1450mm L

1шт.

10

PW30H01083P1

HOSE,12.7mm ID x 1600mm L

1шт.

11

PW30H01072P1

HOSE

1шт.

12

PW30H01063P1

HOSE

1шт.

13

PW30H01074P1

TUBE

1шт.

14

PW30H01067P1

TUBE

1шт.

16

PW30H01081P1

BRACKET

1шт.

17

PW30H01077P1

GROMMET

1шт.

18

ZD11G05000

O-RING,3.1mm Thk x 49.4mm ID, 70 Duro

1шт.

19

ZS28C12035

CAPSCREW,Hex Socket Head, M12 x 35mm

4шт.

20

ZS18C12030

SCREW,Hex, M12 x 30mm

2шт.

21

ZN18C08007

NUT

1шт.

22

ZW26K12000

LOCK WASHER

4шт.

23

ZW16H12000

WASHER

2шт.

24

ZW16H08000

WASHER

1шт.

25

ZC16X05000

CLIP

8шт.

26

PM21C01152DL

WEATHERSTRIP

1шт.

30

PW30H01071P1

GUIDE

1шт.

Выбрано товаров: 25