Запчасти Case CX36B (HC008-01[1]) - HYDRAULIC CONTROL VALVE - COMPONENTS (PROPELLING R/H) (35) - HYDRAULIC SYSTEMS

Схема запчастей Case CX36B - (HC008-01[1]) - HYDRAULIC CONTROL VALVE - COMPONENTS (PROPELLING R/H) (35) - HYDRAULIC SYSTEMS
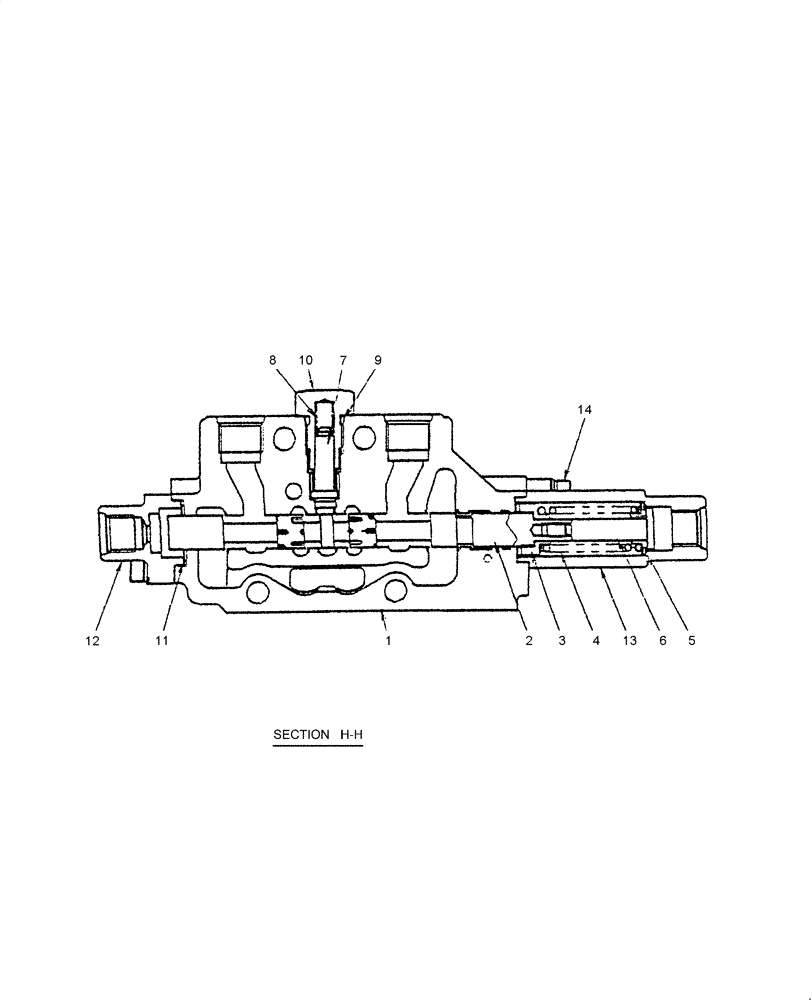
11
13
8
9
12
6
5
7
1
14
3
10
2
4
FIT
1:1
100%

Артикул

Название

Примечание

Количество

PX30V00054F1

VALVE SECTION

Travel Right, Incl. 1 - 14

1шт.

1

NSS

NOT SOLD SEPARAT

Body

1шт.

2

NSS

NOT SOLD SEPARAT

Spool

1шт.

3

NSS

NOT SOLD SEPARAT

Seat, Spring

1шт.

4

NSS

NOT SOLD SEPARAT

Spring

1шт.

5

NSS

NOT SOLD SEPARAT

Seat, Spring

1шт.

6

NSS

NOT SOLD SEPARAT

Bolt, Spacer

1шт.

7

PW30V01009S002

POPPET

1шт.

8

PH30V00014S013

SPRING

1шт.

9

ZD12P01100

O-RING

1шт.

10

PW30V01009S005

PLUG

1шт.

11

PW30V01008S011

O-RING

2шт.

12

PM30V00021S012

COVER

1шт.

13

PM30V00021S013

COVER

1шт.

14

PM30V00021S014

SCREW

4шт.

PX30V00054R100

REPAIR KIT

Incl. 2 - 6

1шт.

Выбрано товаров: 16