Запчасти Case CX36B (01-004) - COUNTERWEIGHT, INSTAL (39) - FRAMES AND BALLASTING

Схема запчастей Case CX36B - (01-004) - COUNTERWEIGHT, INSTAL (39) - FRAMES AND BALLASTING
3
5
5
7
5
4
3
9
6
6
11
9
2
4
6
7
8
1
7
7
4
FIT
1:1
100%

Артикул

Название

Примечание

Количество

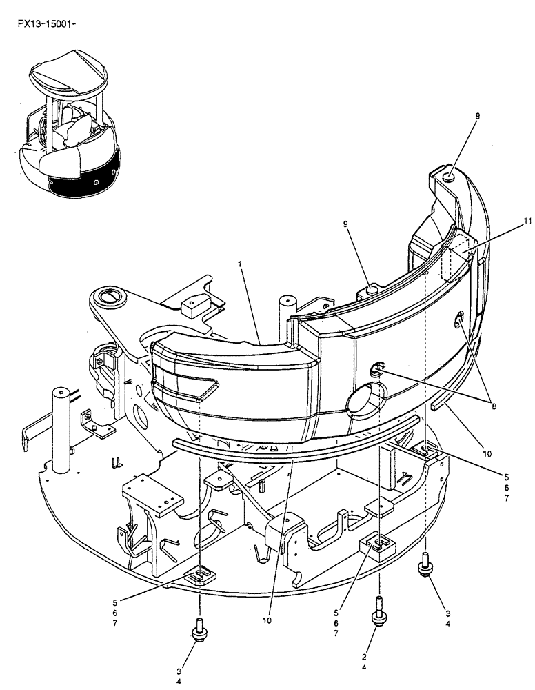
Counterweight Installation, PX60C00015F1

1шт.

1

PX60C00014P1

COUNTERWEIGHT

1шт.

2

HS18C20090G1

BOLT

CAP

1шт.

3

HS18C20065G1

BOLT

CAP

2шт.

4

HY26Y21050G4

WASHER

3шт.

5

PM60C01022D1

SHIM

(1.2)

3шт.

6

PM60C01022D2

SHIM,2.0mm Thk

3шт.

7

PM60C01022D3

SHIM

(3.2)

3шт.

8

YT60C01007P1

PLUG

2шт.

9

LE60C01028P1

PLATE

2шт.

10

PW60C01019P1

RUBBER

2шт.

11

PW60C01020P1

FOAM INSULATION

1шт.

Выбрано товаров: 12