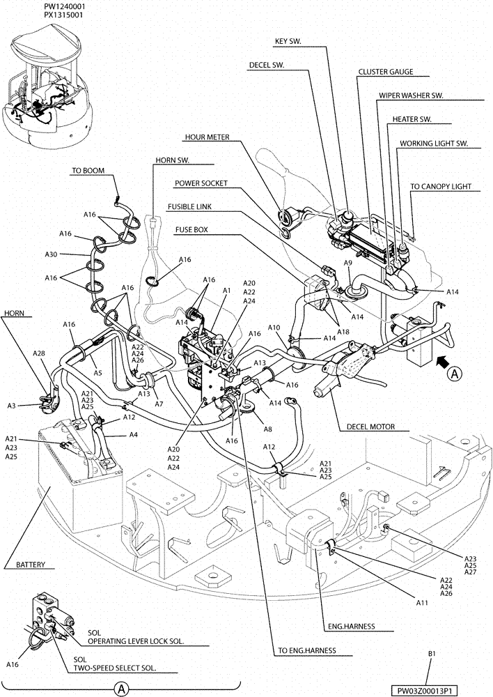
Запчасти Case CX36B (01-061) - ELEC ASSY, UPP (55) - ELECTRICAL SYSTEMS

Схема запчастей Case CX36B - (01-061) - ELEC ASSY, UPP (55) - ELECTRICAL SYSTEMS
FIT
1:1
100%

Артикул

Название

Примечание

Количество

PW03E00006F1

ELEC ASSY, UPP

1шт.

a1

PW24E00039F1

RELAY

RELAY ASSY SEE FIG. 327

1шт.

a3

PY53S00002P1

HORN

1шт.

a4

PW13E01079D1

CABLE

CABLE

1шт.

a5

PW13E01044D1

CABLE

CABLE

1шт.

a7

PW13E01042P1

GROMMET

1шт.

a8

PH13E01072P1

GROMMET

(A)

1шт.

a9

PW13E01076P1

GROMMET

GROMMET

1шт.

a10

PW13E01060P1

GROMMET

1шт.

a11

EW02E01015D6

CLIP

1шт.

a12

EW02E01015D8

CLIP

2шт.

a13

YN03E01001D4

CLIP,33mm L

2шт.

a14

YN03E01001D5

CLIP

5шт.

a16

PY01P01043D5

CABLE TIE,301mm L

24шт.

a18

ZM61C06020

BOLT

SEMS

2шт.

a20

ZS18C08014

SCREW,Hex, M8 x 14mm

CAP

3шт.

a21

ZS18C10016

SCREW,Hex, M10 x 16mm

CAP

2шт.

a22

ZW16X08000

WASHER,8mm ID x 17mm OD x 1.6mm Thk

5шт.

a23

ZW16X10000

WASHER

4шт.

a24

ZW26X08000

LOCK WASHER

Lock

5шт.

a25

ZW26X10000

LOCK WASHER

4шт.

a26

ZN18C08007

NUT

2шт.

a27

ZN18C10008

NUT

2шт.

a28

ZM11C08016

BOLT

SEMS

1шт.

a30

PW14E01038D1

HARNESS

1шт.

b1

PW03Z00013P1

SCHEMATIC, ELEC (NOT IN SERVICE)

1шт.

Выбрано товаров: 26