Качественные детали и логистика
Оригинальные и аналоговые запчасти с доставкой по России, Казахстану и Беларуси
©2022 PartSell ООО "Система" ИНН 2463123282 ОГРН 1212400004838
Центральный офис: г. Красноярск, Академика Киренского, д.87, пом.4
Телефон: 8 (800) 777-65-74 Email: zakaz@partsell.ru
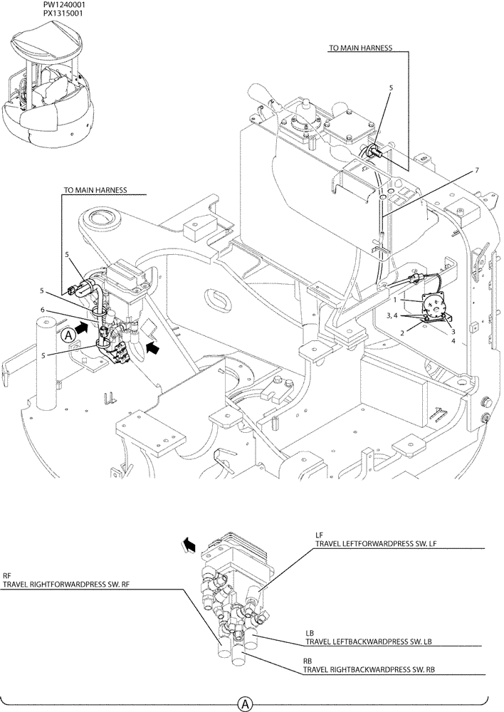
(05-022) - ALARM ASSEMBLY (TRAVEL ALARM) (PW53E00006F1)
№
Артикул
Название
Примечание
Количество
PW53E00006F1
ALARM
1шт.
1
PW53S00002F1
REVERSE ALARM,DC12V, 0.3 Amp
2
PH53E01006P1
PLATE
3
ZM61C05012
BOLT
SEMS
4шт.
4
ZN18C05004
NUT
5
PY01P01043D5
CABLE TIE,301mm L
6
PW13E01069P1
HARNESS
7
PH13E01078P1
Выбрано товаров: 0