Запчасти Case CX36B (08-015) - GENERATOR (55) - ELECTRICAL SYSTEMS

Схема запчастей Case CX36B - (08-015) - GENERATOR (55) - ELECTRICAL SYSTEMS
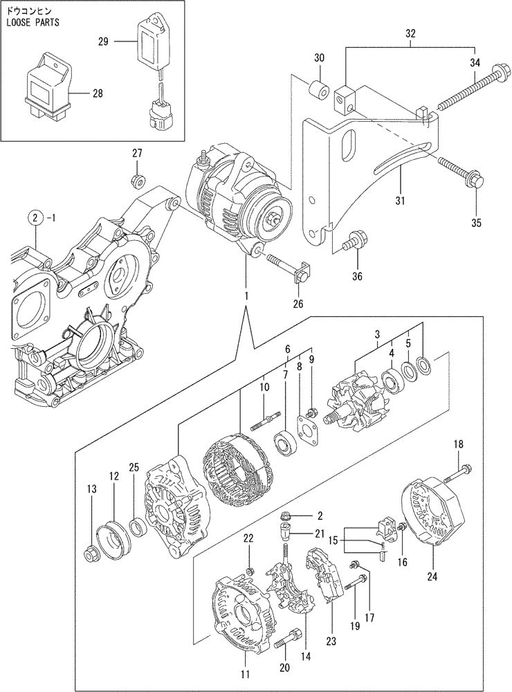
1
35
11
29
36
20
18
12
2
26
34
5
32
4
15
13
31
17
21
6
10
27
1
30
19
16
25
7
24
9
3
22
8
14
28
23
FIT
1:1
100%

Артикул

Название

Примечание

Количество

NSS

NOT SOLD SEPARAT

GENERATOR

1шт.

1

VV11962677210

ALTERNATOR,12V, 55 Amp

ALTERNATOR ASSY

1шт.

2

VVX9490561001

NUT

NUT

1шт.

3

VV12905277380

ROTOR

ROTATOR ASSY

1шт.

4

VV12530179240

BALL BEARING

BALL BEARING

1шт.

5

VV11962079250

COVER ASSY

COVER, BEARING

1шт.

6

VV12905277422

KIT

FRAME ASSY

1шт.

7

VV11962079200

BALL BEARING

BALL BEARING

1шт.

8

VV11962079210

PLATE

PLATE

1шт.

9

VV11962079220

SCREW

SCREW

4шт.

10

VV11962079230

BOLT

BOLT, STUD

2шт.

11

VV12840177440

COVER

FLAME

1шт.

12

VV11962077461

PULLEY

PULLEY

1шт.

13

VV11962077471

NUT

NUT

1шт.

14

VV12905279260

HOLDER

HOLDER, SUB, RECTIFIER

1шт.

15

VV12905279270

HOLDER

HOLDER, BRUSH

1шт.

16

VV11962079290

SCREW

SCREW

6шт.

17

VV11962079300

SCREW

SCREW

1шт.

18

VV11962079310

BOLT

BOLT

3шт.

19

VV11962079320

SCREW

SCREW W/WASHER

2шт.

20

VV11962079330

BOLT

BOLT

2шт.

21

VV11962079340

FOAM INSULATION

INSULATION BUSH

1шт.

22

VV11962079350

NUT

NUT

2шт.

23

VV11962677710

REGULATOR

REGULATOR ASSY

1шт.

24

VV11962677450

COVER ASSY

COVER, END, RR

1шт.

25

VV11962077490

COLLAR

COLLAR

1шт.

26

VV11974077250

BOLT

BOLT, M10X76

1шт.

27

VV26306100002

NUT,M10

NUT

1шт.

28

VV11980277200

RELAY

RELAY, SAFETY

1шт.

29

VV12921177920

TIMER

TIMER

1шт.

30

VV12473277340

SPACER

SPACER

1шт.

31

VV12924277310

ADJUSTER

ADJUSTER, BELT

1шт.

32

VV12961677350

BLOCK ASSY.

BLOCK ASSY, ADJUSTER

1шт.

34

VV26106081004

BOLT

BOLT, 8X100

1шт.

35

VV26106080602

BOLT,M8 x 60mm

BOLT, M8X60 PLATED

1шт.

36

VV26106080162

BOLT,M8 x 16mm

BOLT, M8X16 PLATED

2шт.

Выбрано товаров: 36