Запчасти Case CX36B (05-003) - RADIATOR INSTAL (COOLER) (10) - ENGINE

Схема запчастей Case CX36B - (05-003) - RADIATOR INSTAL (COOLER) (10) - ENGINE
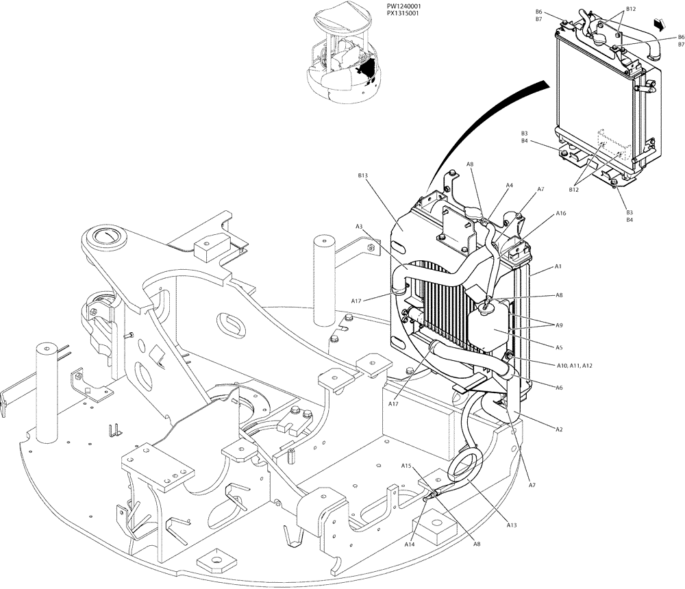
a1
a8
b13
a5
b6
a7
b3
b3
b4
a6
a3
b7
a9
b12
a14
a2
a8
a17
a13
a17
a7
a10
a16
b7
b4
b6
a8
b1
a4
a11
a12
a15
FIT
1:1
100%

Артикул

Название

Примечание

Количество

PW05P00042F1

RADIATOR GROUP

1шт.

a1

PW05P00040F1

RADIATOR ASSY, SEE FIG. 01-008

1шт.

a2

PW05P01089P1

HOSE

1шт.

a3

PW05P01088P1

HOSE

1шт.

a4

NSS

NOT SOLD SEPARAT

HOSE

1шт.

a5

PU01P01024F1

RESERVOIR

TANK ASSY, WATER, SUB

1шт.

a6

ZC46X38014

CLIP

1шт.

a8

NSS

NOT SOLD SEPARAT

4шт.

a9

ZM61C06020

BOLT

SEMS

2шт.

a10

ZS18C08016

SCREW,Hex, M8 x 16mm

CAP

1шт.

a11

ZW26X08000

LOCK WASHER

1шт.

a12

YR21C01161P1

WASHER,9mm ID x 22mm OD x 2.3mm Thk

1шт.

a13

PU13E01002D1

TUBE

1шт.

a14

PW05P01117P1

PLUG

1шт.

a15

NSS

NOT SOLD SEPARAT

HOSE

1шт.

a16

PU13E01002D9

TUBE

1шт.

a17

ZC16X03300

FASTENER

2шт.

PW05P00043F1

RADIATOR INSTAL

1шт.

b3

ZS18C10025

SCREW,Hex, M10 x 25mm

2шт.

b4

ZW16H10000

WASHER

2шт.

b6

ZS18C08020

SCREW,Hex, M8 x 20mm

2шт.

b7

ZW16H08000

WASHER

2шт.

b12

ZM73C08020

BOLT,M8x20mm - Course Thread

SEMS-BOLT

4шт.

b13

PW05P01182F1

SHROUD ASSY, RADIATOR SEE FIG. 01-008

1шт.

Выбрано товаров: 0