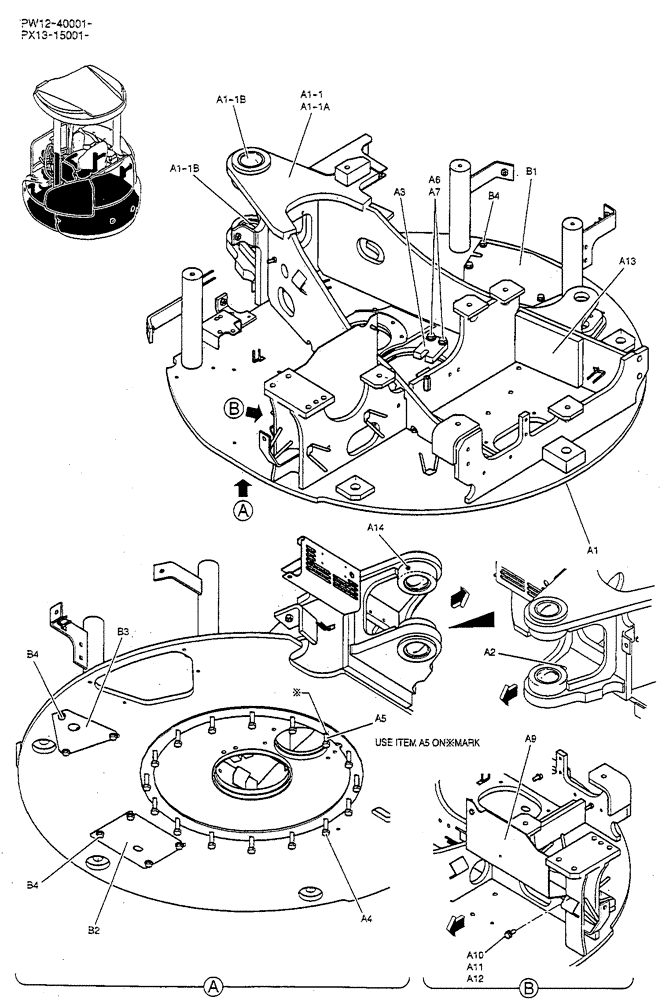
Запчасти Case CX36B (01-001) - FRAME ASSY, UPP (39) - FRAMES AND BALLASTING

Схема запчастей Case CX36B - (01-001) - FRAME ASSY, UPP (39) - FRAMES AND BALLASTING
b3
a1-1b
a6
b4
a1-1b
a11
11
a5
a1-1a
b3
9
a13
a14
a7
a1
b4
b1
a3
b4
a1-1
a10
a2
FIT
1:1
100%

Артикул

Название

Примечание

Количество

PW52F00043F1

FRAME GROUP, UPP

1шт.

a1

PW52F00044P1

FRAME

FRAME UPP

1шт.

a1-1

PW52F00042P1

FRAME UPP

1шт.

a1-1a

PW52F01354F1

BRACKET

BRACKET ASSY

1шт.

a1-1a

PW52F01355P1

BRACKET

1шт.

a1-1b

PW52F01230P1

BUSHING,65mm ID x 80mm OD x 65mm L

2шт.

a2

ZG91U02000

LUBE NIPPLE

GREASE

1шт.

a3

PW52F01387P1

STOP

STOPPER

1шт.

a4

ZS18C12070

SCREW,Hex, M12 x 70mm

CAP

15шт.

a5

HS58C12070G2

BOLT

CAP

1шт.

a6

ZS18C12040

SCREW,Hex, M12 x 40mm

CAP

2шт.

a7

ZW16H12000

WASHER

2шт.

a9

PW52F01330P1

PLATE

1шт.

a10

ZW26X10000

LOCK WASHER

2шт.

a11

ZW16X10000

WASHER

2шт.

a12

ZS18C10025

SCREW,Hex, M10 x 25mm

2шт.

a13

PW52F01309P1

FOAM INSULATION

1шт.

a14

ZG91S02000

LUBE NIPPLE,1/8" NPT x 1/8" NPT

1шт.

PW24C00005F1

COVER ASSY, UNDER

1шт.

b1

PW24C01039P1

COVER

COVER

1шт.

b2

PW24C01042P1

COVER

COVER

1шт.

b3

PM24C01041P1

COVER

COVER

1шт.

b4

ZM73C10020

BOLT,M10x20mm - Course Thread

SEMS-BOLT

11шт.

Выбрано товаров: 0